Owner manual
Manuals
Brands
Ditch Witch Manuals
Special machinery
JT922
1
2
3
4
5
6
7
8
9
10
Table Of Contents
Overview
Serial Number Location
Intended Use
Equipment Modification
Unit Components
Operator Orientation
About This Manual
Bulleted Lists
Numbered Lists
“Continued” Indicators
Foreword
Contents
Safety
Guidelines
Safety Alert Classifications
Safety Alerts
Emergency Procedures
Electric Strike Description
If an Electric Line is Damaged
If a Gas Line is Damaged
If a Fiber Optic Cable is Damaged
If Machine Catches on Fire
Controls
Set-Up Console
Left Control Console
Drilling/Operation Controls
Gauge Cluster
Right Control Console
Anchoring System Console
Seat/Armrest
Battery
ESID
750/752 Display
Indicators
Controls
Operation Overview
Planning
Setting Up at Jobsite
Drilling
Backreaming
Backreaming Tips
Leaving Jobsite
Storing Equipment
Prepare
Gather Information
Review Job Plan
Notify One-Call Services
Examine Pullback Material
Arrange for Traffic Control
Plan for Emergency Services
Inspect Site
Identify Hazards
Select Start and End Points
Classify Jobsite
Inspect Jobsite
Select a Classification
Apply Precautions
Plan Bore Path
Recommended Bend Limits
Entry Pitch
Minimum Setback
Minimum Depth
Bore Path Calculator
Prepare Jobsite
Mark Bore Path
Prepare Entry Point
Check Supplies and Prepare Equipment
Check Supplies
Prepare Equipment
Assemble Accessories
Drive
Start Unit
Steer Unit
Tips to Reduce Track Wear
Shut Down Unit
Transport
Lift
Haul
Load
Tie Down
Unload
Tow
Conduct a Bore
Position Equipment
Start System
Prime Drilling Fluid Pump
Operate Carriage Control
Clamp Pipe
Assemble Drill String
Prepare Beacon Housing
Attach Transition Sub
Connect Drill Pipe
Drill First Pipe
Add Pipe
Correct Direction
Basic Rules
Procedure
Drill Head Position
Record Bore Path
Surface Drill Head
Assemble Backream String
Remove Pipe
Remove Pullback Device
Systems and Equipment
Anchor System
Drive Anchors
Remove Anchors
Electric Strike System
FCC Statement
Assemble Voltage Detector
Test Strike System
Troubleshoot Strike System
Use Electric Strike Simulator
Drilling Fluid
Guidelines
Polymer
Bentonite
Mixtures
Drilling Fluid Requirements
Funnel Viscosity
Tracker Control
Overview
Operation
Downhole Tools
Nozzles
Bits
Beacon Housings
Backreamers
Backream Fluid Requirements
Quick Wrench
Drill Pipe
Perform Regular Drill Pipe Care
Use Drill Pipe Correctly
Complete the Job
Antifreeze Drilling Unit
Add Antifreeze
Reclaim Antifreeze
Rinse Equipment
Using Optional Washwand
Disconnect
Stow Tools
Service
Service Precautions
Welding Precaution
Washing Precaution
Working Under Drilling Unit
Opening/Closing Front Hood
Recommended Lubricants/Service Key
Engine Oil Temperature Chart
Approved Fuel
Startup/10 Hour
Drilling Unit
50 Hour
Drilling Unit
250 Hour
Drilling Unit
500 Hour
Drilling Unit
750 Hour
Drilling Unit
1000 Hour
Drilling Unit
As Needed
Drilling Unit
Specifications
Support
Procedure
Resources
Publications
Ditch Witch Training
Warranty
Service Record
Overview - 4
JT922 Operator’s Manual
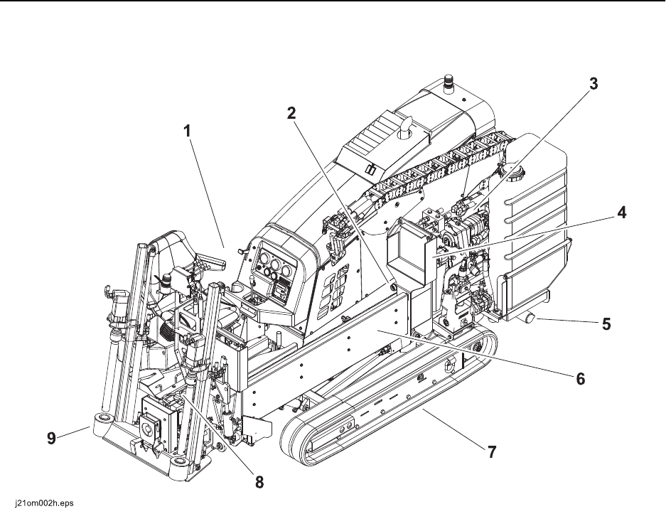
Unit Components
CMW
Unit Components
1.
Operator’s station
2.
Spindle
3.
Carriage
4.
Drill pipe box
5.
Stabilizer
6.
Drill frame
7.
Tracks
8.
Vise wrenches
9.
Anchoring system
1
...
2
3
4
5
6
7
...
...
159