Installation guide
Manuals
Brands
Directed Electronics Manuals
Automotive
Viper ESP 540
151
152
153
154
155
156
157
158
159
160
Table Of Contents
427V(C).pdf
427V(C).pdf
427V_spec.pdf
427V_bom.pdf
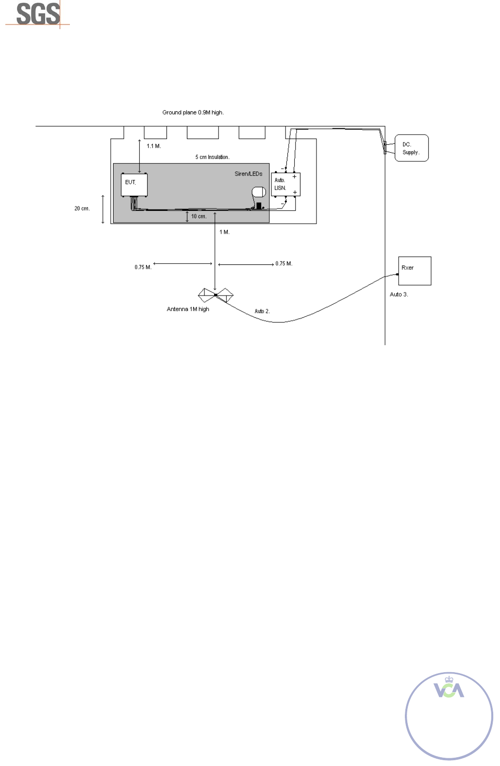
TEST REPORT
Page 10 of 33
Issue Date: 2
nd
March 2010.
SGS Serial Number:
AUT130731/4/GH/10.
Test Configuration
Radiated Emissions:
U
K
A
p
p
r
o
v
a
l
A
u
t
h
o
r
i
t
y
25-Mar-10
1
...
...
153
154
155
156
157
...
...
178