Installation guide
Table Of Contents

© 2005 directed electronics, inc.
19
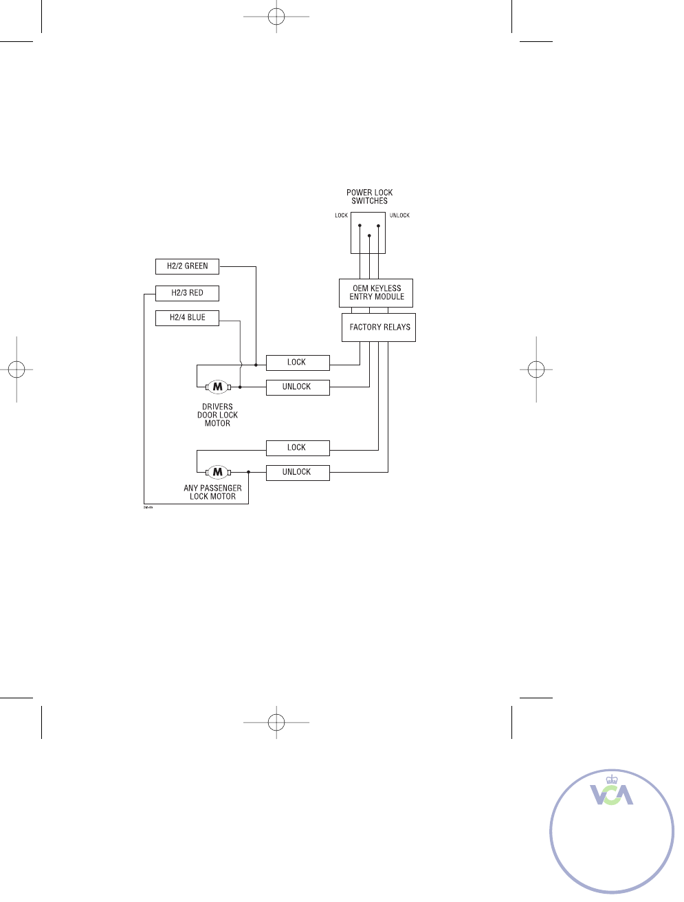
external relays—driver’s door unlock
This system is used in many four-door GM sedans. To test for this type of system, probe
the unlock wire from the interior switch (black or white). Unlock the driver’s door, by
itself, using the factory remote. If the switch wire shows (+) 12V, then use the follow-
ing diagram:
NNOOTTEE::
It is often easy to access the passenger unlock wire going to the rear door
motor on the driver’s side.
N427V_05-05.qxd 6/8/2005 12:37 PM Page 19
U
K
A
p
p
r
o
v
a
l
A
u
t
h
o
r
i
t
y
25-Mar-10










