Owner's Manual
Table Of Contents

9
Wiring
Fireplace Installation
consumption.
2. Remove the outer jacket and
strip the individual conductor
from the end.
3. Loosen the screw securing
the junction box cover and
remove the cover.
4. Take the cables out from the
junction box, loosen the two
wire nuts and remove the
power cord (Figure 2).
5. Route the power supply wire
through the knockout on sup-
plied alternative junction box
cover and secure with a wire
clamp (not supplied) (Figure
3).
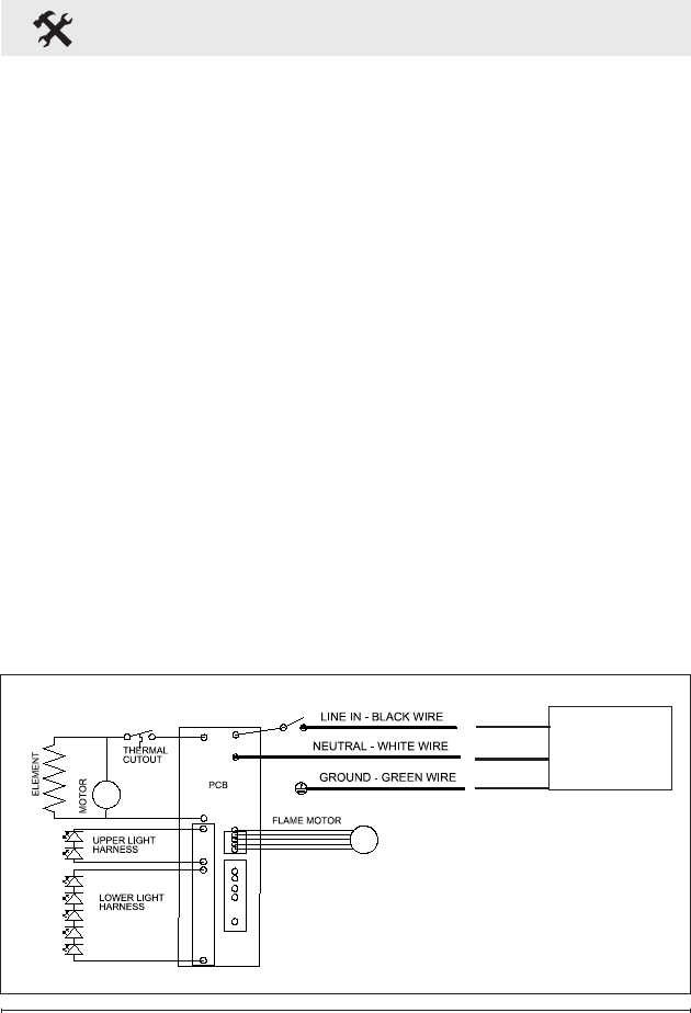
6. Connect the black wire (line)
from the unit to the live from
power supply (Figure 3).
7. Connect the white wire
(neutral) from the unit to the
neutral from power supply
(Figure 3).
8. Connect the ground wire
from the power supply to the
ground wire on the junction
box cover (Figure 3).
9. Place all connectors inside
the unit and secure the junc-
tion box cover to unit. Ensure
that the cable clamp grips
only the jacket of service
cable.
GROUND
LINE
120 V Power
Supply
(Breaker Panel)
NEUTRAL










