Owner's Manual
Table Of Contents

13
Operation
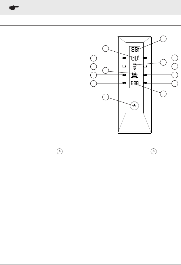
Figure 6 - Remote Control Functions
A. Room Temperature
B. Set Temperature
C. Dimmer
D. Flame Speed Control
E. Sleep Timer
F. Flame & Heat On/Off
G. Temperature Down
H. Temperature Up
I. Dimmer Down
J. Dimmer Up
K. Flame Speed Down
L. Flame Speed Up
M. Sleep Timer Down
N. Sleep Timer Up
K
J
L
I
B
E
A
D
G
C
NM
H
F
to 8 hours).
Press the F button to turn
the replace on.
To set the sleep timer press
the N button.
Set the timer from 30 minutes
through 8 hours. The replace
will automatically turn off when
the sleep timer reaches zero
(0) minutes.
The Sleep Timer can be can-
celled at any time by pressing
the M button repeatedly until
the sleep timer displays noth-
ing.
F. Flame & Heat On/Off Button
Press the F button to turn
the Flame/Heat function on.
When B is higher then A the
heat will come on. To turn the
heat off, lower the B so that
it’s setting is lower then the A.
The default temperature set-
ting is 72°F (22°C).
!
NOTE: When using the re-
mote control the heater runs
on a thermostat. Press the H
or G buttons to adjust the set
temperature. Once the desired
set temperature is reached the
heater will turn off. The heater
will cycle on and off to main-










