Operating instructions
Table Of Contents
- Table of contents
- Anhang / Appendix / Annexes
- 1 Hydraulische Prinzipschemen / Hydraulic Plumbing Diagram / Schémas hydrauliques
- 1.1 Kältemittelkreislauf / Refrigerant Circuit / Circuit réfrigérant
- 1.2 Legende / Legend / Légende
- 1.3 Hydraulisches Einbindungsschema / Hydraulic Block Diagram / Schéma d’intégration hydraulique
- 1.4 Legende / Legend / Légende
- 1.5 Einbindungsschema Wärmetauscher an thermische Solaranlage / Heat Exchanger Integration Diagram for Thermal Solar Installation / Schéma d’intégration échangeur therm. à installation solaire therm.
- 2 Stromlaufpläne / Circuit Diagrams / Schémas électriques
- 2.1 Warmwasser-Wärmepumpen mit innerem Wärmetauscher / Hot-Water Heat Pumps with Internal Heat Exchanger / Pompes à chaleur pour eau chaude à échangeur thermique intégré
- 2.2 Warmwasser-Wärmepumpen ohne innerem Wärmetauscher / Hot- Water Heat Pumps without Internal Heat Exchanger / Pompes à chaleur pour eau chaude sans échangeur thermique intégré
- 2.3 Legende / Legend / Légende
- 3 Konformitätserklärung / Declaration of Conformity / Déclaration de conformité
- 1 Hydraulische Prinzipschemen / Hydraulic Plumbing Diagram / Schémas hydrauliques

A-VI
Anhang · Appendix · Annexes
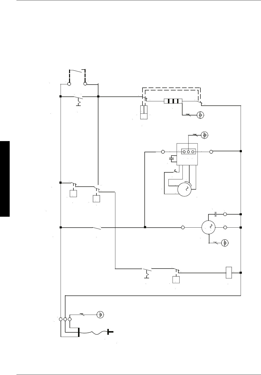
2.2
2.2 Warmwasser-Wärmepumpen ohne innerem Wärmetauscher / Hot-
Water Heat Pumps without Internal Heat Exchanger / Pompes à chaleur
pour eau chaude sans échangeur thermique intégré
;
$
.
$
$
&
0
0
/
1
EO
3(
3
)
&
EQ
.
0
;
&
;
0
/13(9$&+]
;
3!)
EDU
;
/
3(
1
7
%
.
&
(
%
)
&
75
67%
&
7!
&
6
6
7!
%
&
;
;
JUQJHOE
*UHHQ\HOORZ
YHUWMDXQH
VFKZDU]
%ODFN
QRLU
:lUPHSXPSH
+HDWSXPS
3RPSHjFKDOHXU
(OHNWUR+HL]VWDE
(OHFWULFKHDWLQJHOHPHQW
&DUWRXFKHFKDXIIDQWHpOHFWULTXH
9HUGLFKWHU
&RPSUHVVRU
&RPSUHVVHXU
9HQWLODWRU
9HQWLODWRU
9HQWLODWHXU
3RW
IUHLHU.RQWDNW
IU+HL]VWDEDQVW
)ORDWLQJFRQWDFW
IRUKHDWLQJHOHPHQWFRQWURO
&RQWDFWOLEUHGHSRWHQWLHO
SRXUFRPPDQGHFDUWRXFKHFKDXII
9$&PLQ$










