Operating instructions
Table Of Contents
- Table of contents
- Anhang / Appendix / Annexes
- 1 Hydraulische Prinzipschemen / Hydraulic Plumbing Diagram / Schémas hydrauliques
- 1.1 Kältemittelkreislauf / Refrigerant Circuit / Circuit réfrigérant
- 1.2 Legende / Legend / Légende
- 1.3 Hydraulisches Einbindungsschema / Hydraulic Block Diagram / Schéma d’intégration hydraulique
- 1.4 Legende / Legend / Légende
- 1.5 Einbindungsschema Wärmetauscher an thermische Solaranlage / Heat Exchanger Integration Diagram for Thermal Solar Installation / Schéma d’intégration échangeur therm. à installation solaire therm.
- 2 Stromlaufpläne / Circuit Diagrams / Schémas électriques
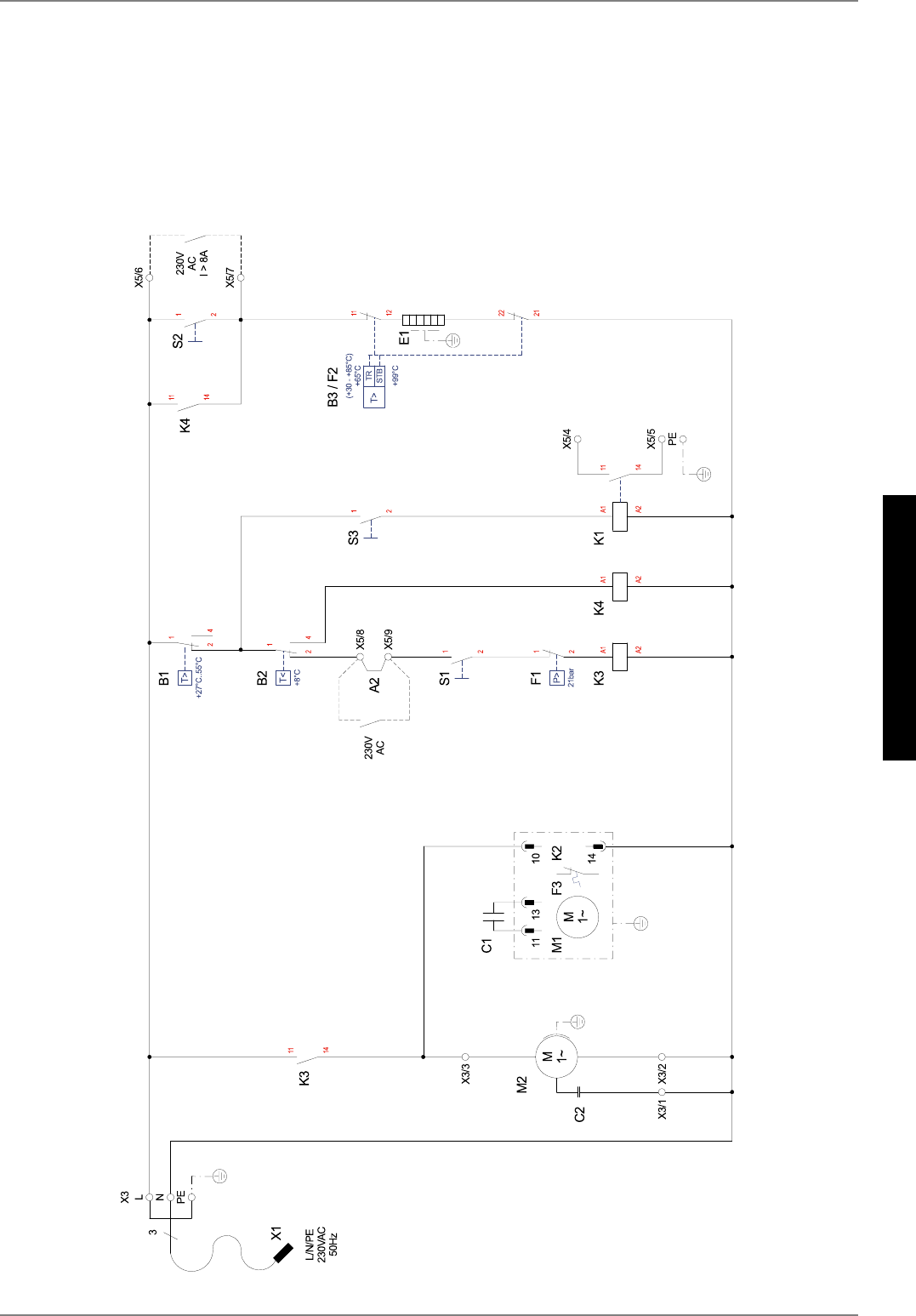
- 2.1 Warmwasser-Wärmepumpen mit innerem Wärmetauscher / Hot-Water Heat Pumps with Internal Heat Exchanger / Pompes à chaleur pour eau chaude à échangeur thermique intégré
- 2.2 Warmwasser-Wärmepumpen ohne innerem Wärmetauscher / Hot- Water Heat Pumps without Internal Heat Exchanger / Pompes à chaleur pour eau chaude sans échangeur thermique intégré
- 2.3 Legende / Legend / Légende
- 3 Konformitätserklärung / Declaration of Conformity / Déclaration de conformité
- 1 Hydraulische Prinzipschemen / Hydraulic Plumbing Diagram / Schémas hydrauliques











