How to Guide
Table Of Contents
- 7213990100R03_EN
- 7213990100R03_FR
- 7213990100R03_SP

8 www.dimplex.com
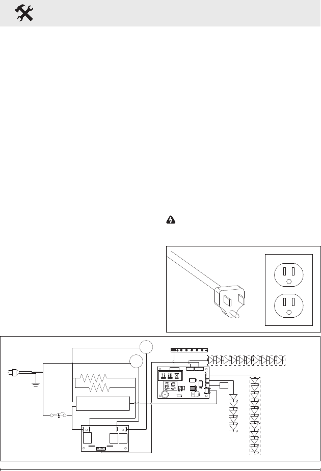
Adaptador AC/DC
Carte de relais
Control Remoto tarjeta de circuitos interruptor
Tablero de control/pantalla
Línea
Neutro
HTR
Thermistor
Conjunto de luces LED (RVA) - rocas de cristal
Conjunto de luces LED (ámbar)
M
Elemento
Elemento
Protecciòn térmica
M
Motor del efecto de llama
Motor del ventilador
Conjunto de luces LED (RVA) - Llama
Instalación de la chimenea
nas y mobiliario, y por el que no se
pase frecuentemente.
2. Para facilitar la conexión, pue-
de situar la chimenea cerca de
un enchufe ya existente (para
enchufarla fácilmente) (consulte la
NOTA 1).
3. Retire la chimenea, el cristal
delantero y las piezas de la caja y
quite todos los materiales de em-
paque antes de la instalación.
4. Coloque la chimenea en un lugar
seguro, seco y libre del polvo has-
ta que esté listo para instalarla.
Cableado
Para conectar a tierra
Este producto tiene que conectar-
se a tierra. Si el producto no está
funcionando bien o está averiado, el
conectarlo a tierra proporciona una
ruta de menor resistencia para que
reducir la corriente eléctrica y así
disminuir el riesgo sufrir una descar-
ga eléctrica. Este producto incluye un
cable con un conductor y un enchufe
de conexión a tierra. El enchufe debe
conectarse a una entrada debida-
mente instalada y conectada a tierra
de acuerdo con los códigos y las
ordenanzas locales.
PELIGRO: Si la conexión del
conductor a tierra del equipo no es
Figura 2










