Owner manual

JTAG-SMT2-NC Reference Manual
Copyright Digilent, Inc. All rights reserved.
Other product and company names mentioned may be trademarks of their respective owners.
Page 8 of 14
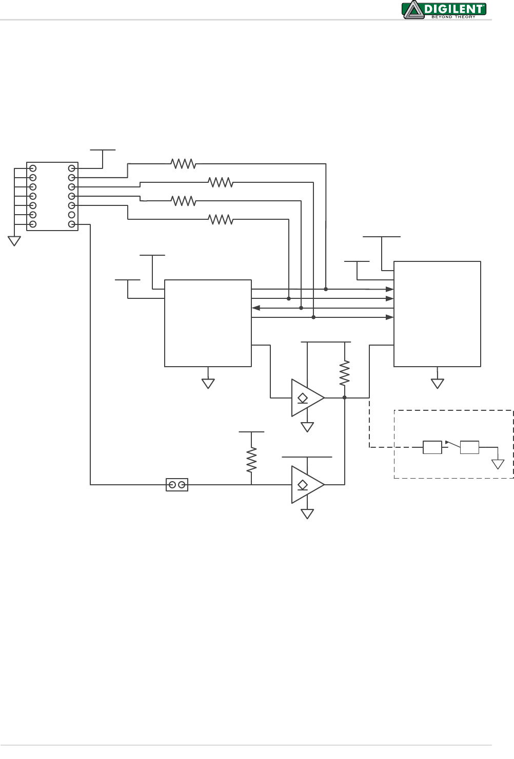
Example 3:
Interfacing a Zynq-7000 while retaining the Xilinx JTAG Header
Figure 11 below demonstrates how to connect the JTAG-SMT2-NC to Xilinx’s Zynq-7000 silicon alongside Xilinx’s
14-pin JTAG header. In this example, the open drain buffers allow both the SMT2-NC and Xilinx JTAG Header to
drive the PS_SRST_B pin, which may operate a different voltage than the Zynq’s JTAG pins.
VCCO_0
VCCO_MIO1
PS_SRST_B
ZYNQ-
7000
TDO
TMS
TDI
TCK
GND
VDD
VREF
TDO
JTAG-
SMT2-NC
GND
TMS
TDI
TCK
GPIO0
GPIO1
GPIO2
VCCO_0
VCCO_MIO1
3.3V
VCCO_0
VCCO_MIO1
10K
Optional Reset
Button
VCCO_MIO1
10K
VCCO_0
VCCO_0
100
100
100
50
Xilinx JTAG
Header
1 2
3 4
5 6
7 8
9
10
11 12
13
14
Jumper
Figure 11. Open drain buffers allowing the SMT2-NC and JTAG Header to drive the PS_SRST_B pin.










