Owner manual

JTAG-SMT2-NC Reference Manual
Copyright Digilent, Inc. All rights reserved.
Other product and company names mentioned may be trademarks of their respective owners.
Page 4 of 14
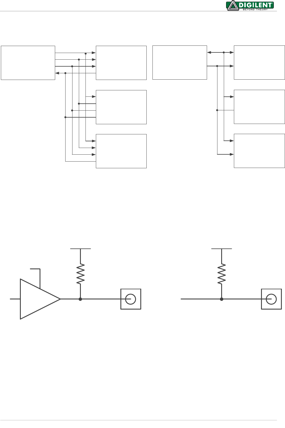
The IEEE 1149.7-2009 specification requires any device that functions as a debug and test system (DTS) to provide
a pull-up bias on the TMS and TDO pins. In order to meet this requirement, the JTAG-SMT2-NC features weak pull-
ups (100K ohm) on the TMS, TDI, TDO, and TCK signals. Though not required in the specifications, the pull-ups on
the TDI and TCK signals ensure that neither signal floats while another source is not driving them (see Fig. 5).
VREF
Output Pin
(TMS, TDI, TCK)
100K
JtagEN
VREF
Input Pin
(TDO)
100K
Users should place a current limiting resistor between the TMS pin of the SMT2-NC and the TMSC pin of the TS
when using the JTAG-SMT2-NC to interface with a 1149.7 compatible TS. If a drive conflict occurs, this resistor
should prevent damage to components by limiting the amount of current flowing between the pins of each device.
A 200 ohm resistor will limit the maximum current to 16.5mA when using a 3.3V reference (see Figs. 6 & 7). While
this level of resistance should be sufficient for most applications, the value of the resistor may need to be adjusted
to meet the requirements of the TS.
2-Wire Star Topology
TMSC
TDIC
TCKC
TDOC
Target
System 0
Target
System 1
Target
System N
TMSC
TDIC
TCKC
TDOC
TMSC
TDIC
TCKC
TDOC
TMS
TDI
TCK
TDO
Host
+
JTAG-SMT2-NC
(DTS)
TMSC
TDIC
TCKC
TDOC
Target
System 0
Target
System 1
Target
System N
4-Wire Star Topology
TMSC
TDIC
TCKC
TDOC
TMSC
TDIC
TCKC
TDOC
TMS
TDI
TCK
TDO
Host
+
JTAG-SMT2-NC
(DTS)
Figure 4. 4-Wire and 2-Wire star topology.
Figure 5. Pull-ups on TMS, TDI, TDO, and TCK signals.










