Datasheet

01223456678987888268264876978378987884278224877898788
!"#$%&'()'*+,-.'#&/&%01,%)'23
418556487554845551875115438875853887759:;2759<=>?645
6@50 5053725;875 6AB:
012235668886862287287468728746AB:63724637212 754541855C5A
01223456678987888264876789D978A 5
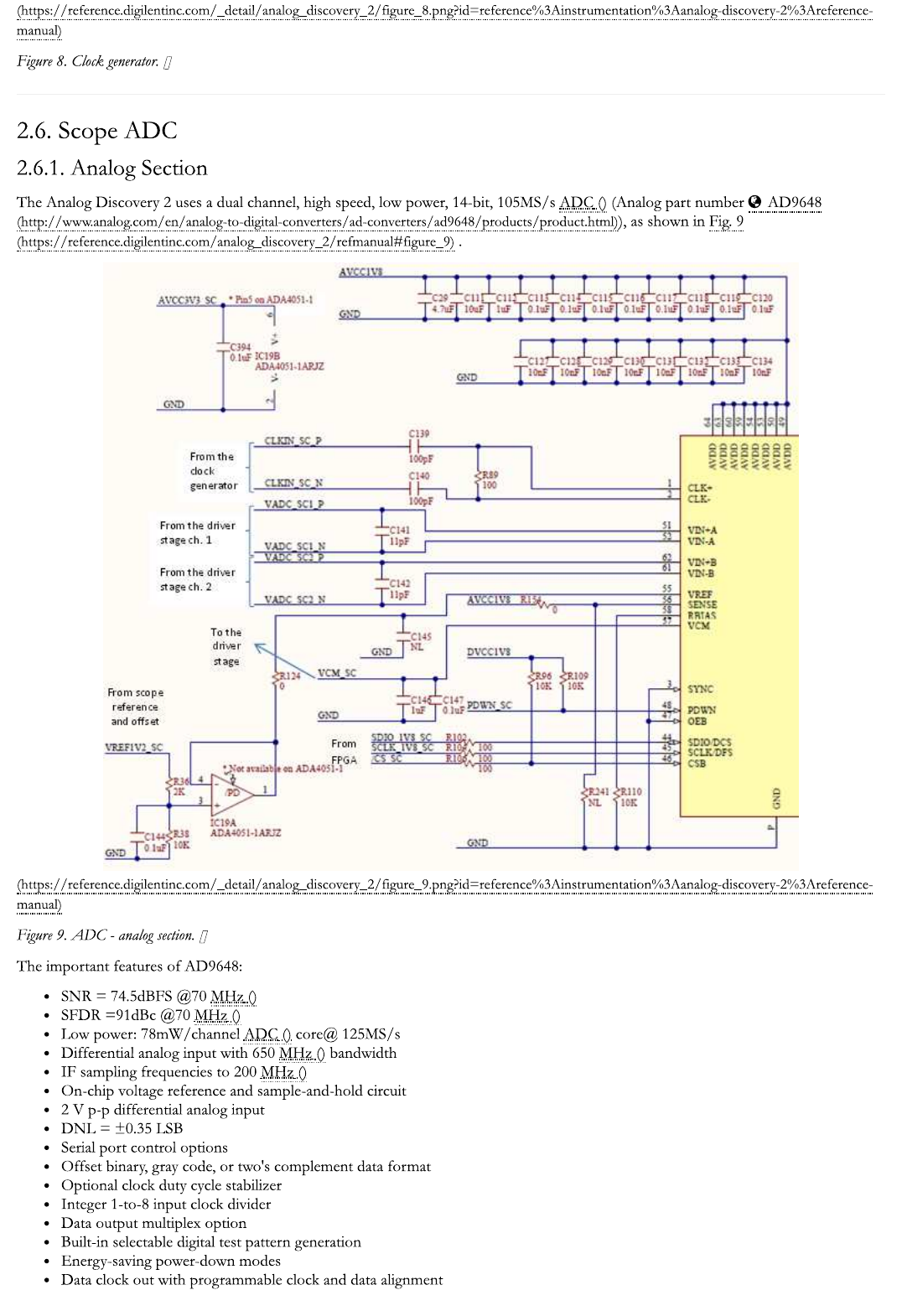
01223456678987888268264876978A378987884278224877898788
!"#$%&'E)'FG*'H'0/0+,#'I&-1",/)'23
4185372259827845956AB:5
?JK55L:=MC?5NL<5>OP50
?C6K5A9M5NL<5>OP50
Q85388755LR61856@50 578N59=>?64
6998782553258215B=<5>OP50 5;821
SC5435978T884525<<5>OP50
U1352857898788554381572
5V53359987825532
6JQ55W<=5Q?M
?8753725275324
U994825;775758757528X453882525972
U325Y5258542;P87
S28875925325Y587
6252325238Z532
M254882;8525284253228758872
[874538878584
625Y5258215377;85Y552582
B5?3856@
B955?82
\










