Datasheet

01214515647489824796528
1822272454274726467654824592754222724789276476765 482 22272
6796!
"#$%&'()*(+,-%.(/#0#/'&(1,/($1#,(2'3'4.#5,*(67
77 47247588652428214514267268612479442
945:!
18222724542747676548226796;4592:!
1822272454274726467654824592:754222724789276476765 482 22272
6796!
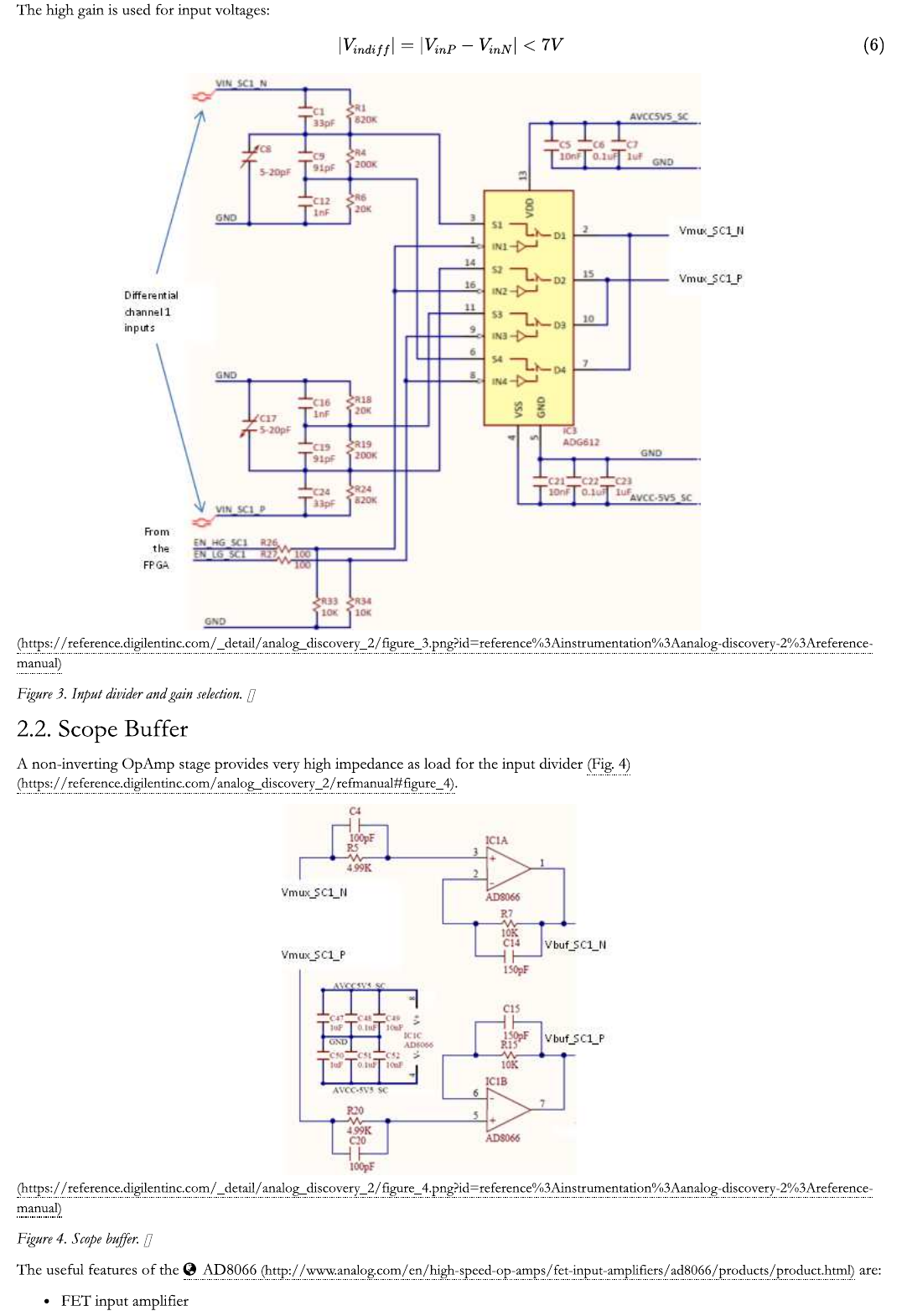
"#$%&'(<*(=45-'(>%??'&*(67
01298292692812 @ABCC1DDD6765271451 822 682 479 644286ABCC9891!62
9E04796442
F2G92
H










