Instruction manual

71
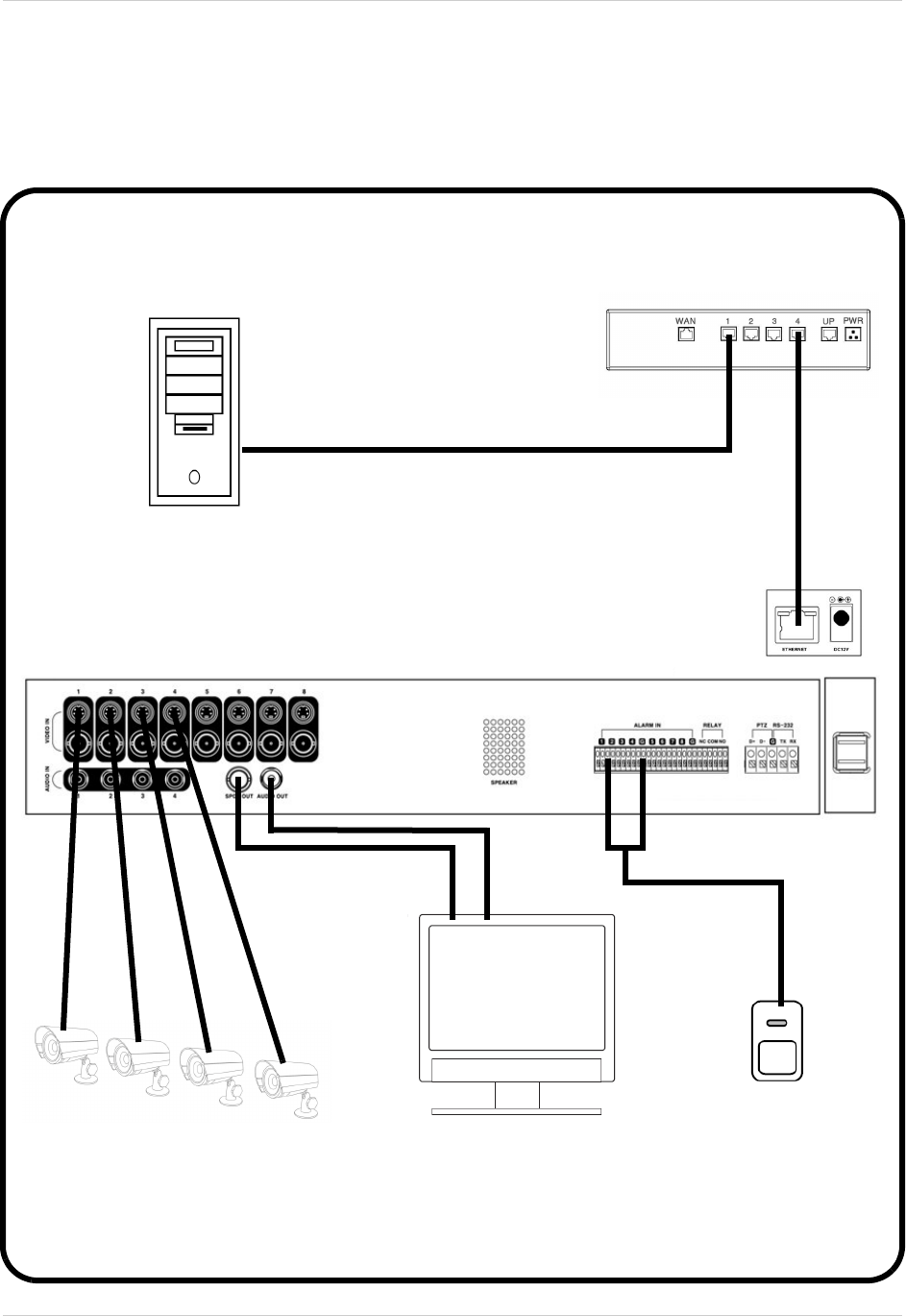
Full Connectivity Diagram - Appendix #6
Full Connectivity Diagram - Appendix #6
The following diagram outlines a general set of connections available with the Observation
System.
OBSERVATION SYSTEM
SENSOR
(Not Included)
PC
(Not Included)
ROUTER
(Not Included)
SLAVE / SPOT OUT
MONITOR
(Not Included)
4 x 1/4” CCD CAMERAS
(Included)










