Owner manual

Document No: 9100-127-1485-99 Rev A
Page 4 of 5
Exning Road, Newmarket, Suffolk, CB8 0AX, UK
Tel: +44 (0) 1638 666541 Fax: +44 (0) 1638 561735 www.dialight.com
2) Install occupancy sensor as per sensor instructions to provide desired coverage of area.
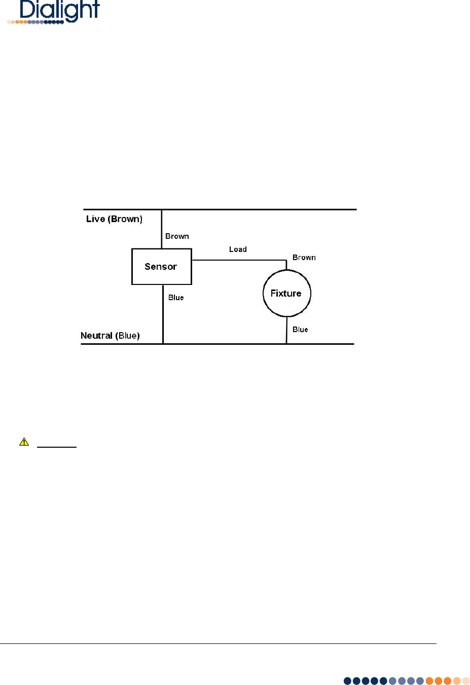
3) Connect luminaire wires per wiring diagram as follows: Brown lead to load of the
occupancy sensor, Blue lead to the Line (Neutral), Green/Yellow lead to Earth Ground.
Multiple fixtures may be connected to a sensor, as long as the rated load of the sensor is
not exceeded.
4) Restore power at circuit breaker or fuse.
5) Verify operation of system. If the light will not turn on, check the operation of the fixture
and sensor individually, and check that the wiring is done correctly. If the light will not turn
off or turns off and on quickly, see the sensor’s installation instructions for further guidance.
3: Maintenance
• To avoid personal injury, disconnect power to the light and allow the unit to cool down
before performing maintenance.
Warning: No user serviceable parts inside of fixture. Risk of electric shock. Removal of the
lens will void the warranty.
The lens could be cleaned periodically as needed to ensure continued photometric
performance. Clean the lens with a damp, non-abrasive, lint-free cloth. If not sufficient, use
mild soap or a liquid cleaner. Do not use an abrasive, strong alkaline or acid cleaner as
damage may occur.
During any maintenance inspect the cooling fins on the luminaire to ensure that they are
free of any obstructions or contamination (i.e. excessive dust build-up). Clean with a non-
abrasive cloth if needed.





