Operation Manual

DEUTSCH
17
DEUTSCH
Anschluss anderer Quellen Anschluss anderer Quellen
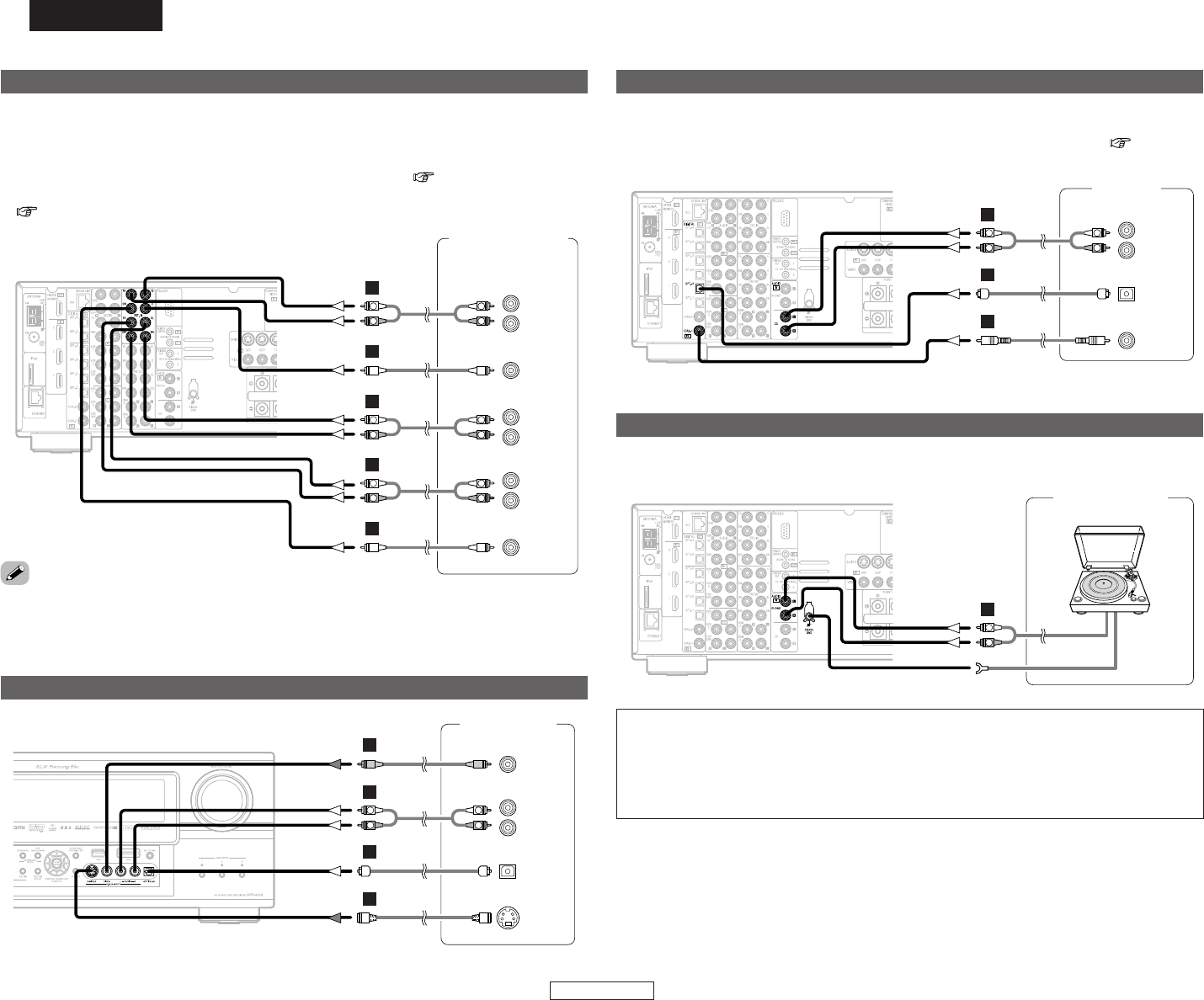
Anschluss von analogen Mehrkanaltonquellen (EXT. IN)
DVD Audio-Video /
Super Audio CD Player /
External decoder
R
SURROUND
BACK
L
R
SURROUND
L
R
FRONT
L
7.1ch AUDIO OUT
CENTER
SUB-
WOOFER
R
L
R
L
R
L
R
L
B
A
B
A
R
L
R
L
A
• Diese Anschlüssen sind für Mehrfachkanal-Audiosignale von einem externen Decoder oder von
einem Gerät mit einer anderen Art von Mehrfachkanal-Decoder, wie beispielsweise von einem
DVD-Audioplayer oder von einem Mehrfachkanal-Super-Audio-CD-Player oder von einem anderen
künftigen Mehrfachkanalton-Formatdecoder, vorgesehen.
• Der Videosignal-Anschluss ist der selbe wie für einen DVD-Player ( Seite 8).
• Anweisungen zur Wiedergabe mit Hilfe des analogen Mehrkanaleingangs (EXT. IN) entnehmen
( Seite 67, 68).
• Bei Discs mit speziellen Kopierschutzvarianten können die digitalen Signale möglicherweise nicht
vom DVD-Player ausgegeben werden. Schließen Sie für die Wiedergabe in diesem Fall den
analogen Mehrkanalausgang des DVD-Players an den EXT. IN-Mehrkanaleingang des AVR-4306
an. Konsultieren hierfür auch die Bedienungsanleitung Ihres DVD-Players.
DVD-Audio-Video-/
Anschluss einer Videokamerakomponente oder eines Spielekonsole
Video camera /
Video game
S VIDEO
OUT
R
L
AUDIO OUT
VIDEO
OUT
OPTICAL
OUT
R
L
R
L
G
H
A
D
Videokamera /
Videospiel
R
L
AUDIO OUT
CD player
COAXIAL
OUT
OPTICAL
OUT
R
L
R
L
A
C
D
HINWEIS:
• Der Phono-Eingang akzeptiert Signale von MM- und High Output MC-Systemen. Falls Ihr
Plattenspieler mit einem MC-Tonabnehmer ausgestattet ist, müssen Sie einen separaten MC-
Vorverstärker oder einen MC-Step Up-Trafo verwenden.
•Wenn ein Brummen oder ein anderes Geräusch erzeugt wird, wenn der Erdungsdraht am
SIGNAL GND-Anschluss angeschlossen ist, trennen Sie den Erdungsdraht ab.
Anschluss eines CD-Players
Sie können einen koaxialen oder optischen Anschluss auswählen, um den digitalen Audioausgang
des CD-Players anzuschließen. Wenn Sie den optischen Anschluss auswählen, muss dieser
zugewiesen sein. Für weitere Informationen über die Digital-Eingangszuweisung ( Seite 67).
Anschluss eines Plattenspielers
Sie können den Plattenspieler (MM-Tonabnehmer) an die PHONO-Anschlüsse anschließen.
AUDIO OUT
GND
Turntable
(MM cartridge)
R
L
A
Plattenspieler
(MM-Tonabnehmer)
CD-Player
Super-Audio-CD-Player /
Externer Decoder
2.AVR4306E2_GER 06.4.12 4:13 PM Page 17










