User Guide
Manuals
Brands
Denon Manuals
Telephone Accessories
AVR-1909
23
24
25
26
27
28
29
30
31
32
8
7
6
5
4
3
2
1
A
B
C
D
E
F
A
VR-1909/789,
A
VC-1909
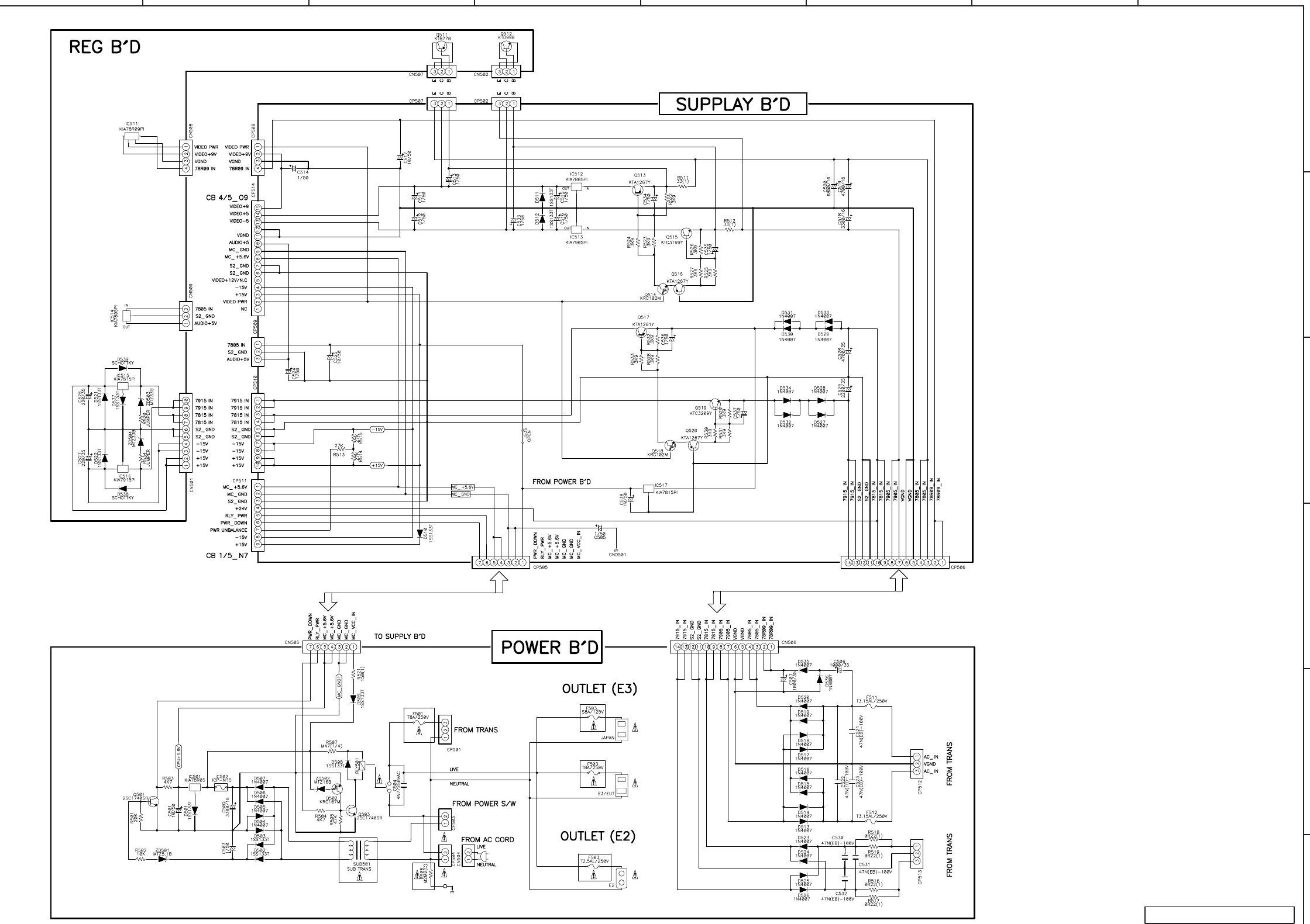
SCHEMA
TIC DIAGRAMS (25/25)
POWER UNIT
SUPPLA
Y UNIT
REG UNIT
1
...
...
30
31
32