User Guide
Manuals
Brands
Denon Manuals
Telephone Accessories
AVR-1909
21
22
23
24
25
26
27
28
29
30
8
7
6
5
4
3
2
1
A
B
C
D
E
F
A
VR-1909/789,
A
VC-1909
SCHEMA
TIC DIAGRAMS (18/25)
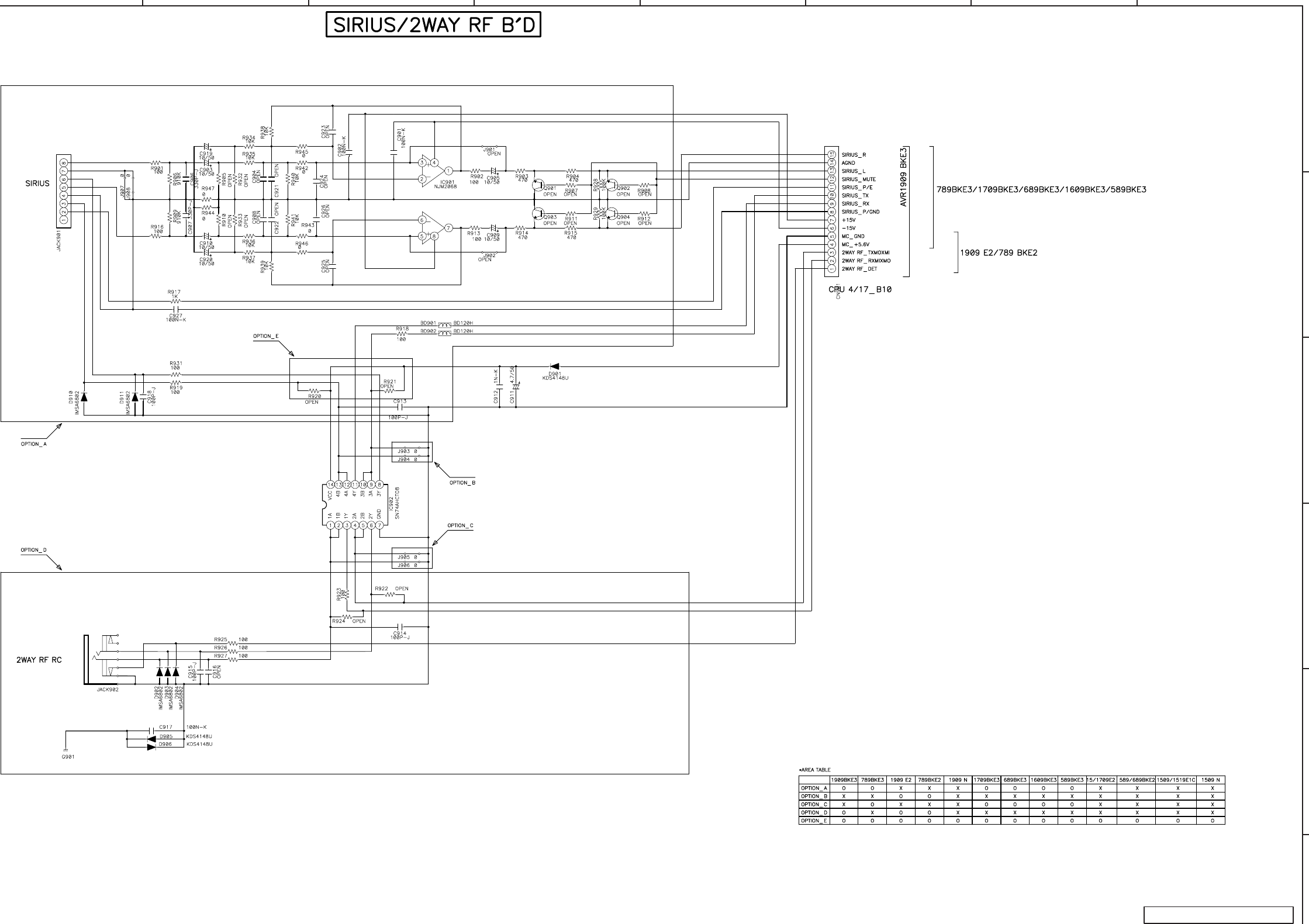
SIRIUS/2W
A
Y RF UNIT
1
...
...
23
24
25
26
27
...
...
32