Specification Sheet for PH40
Manuals
Brands
Deltana Manuals
Door Hinge
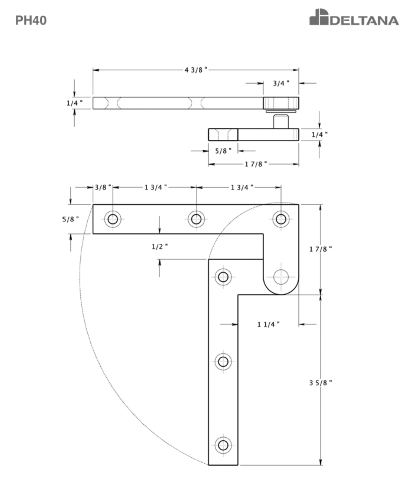
4-3/8" x 5/8" x 1-7/8" Solid Brass Pivot Hinge
1
1
Summary of content (1 pages)
PAGE 1