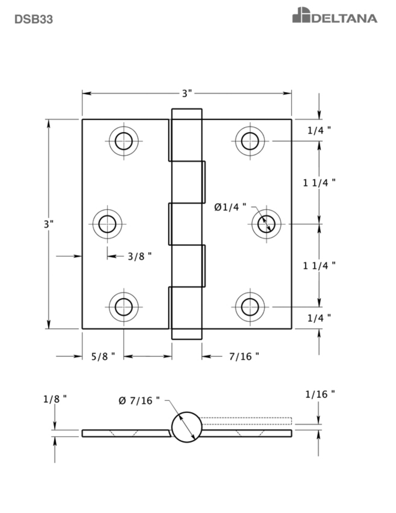
Specification Sheet for Deltana DSB3

Summary of content (1 pages)