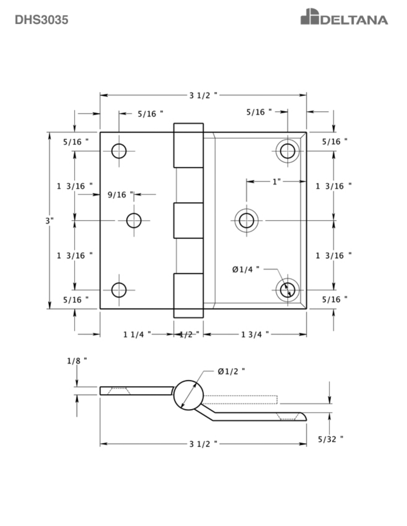
Specification Sheet for Deltana DHS3035
Manuals
Brands
Deltana Manuals
Door Hinges
Deltana 3" x 3.5" Solid Brass Square Corner Plain Bearing Half-Mortise Hinge - Pair
1
1
Summary of content (1 pages)
PAGE 1