Data Sheet
Manuals
Brands
Dehner Elektronik Manuals
Bench power supply units
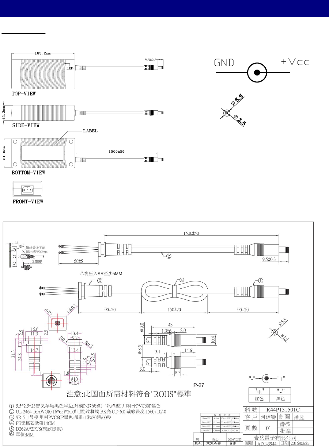
Dehner Elektronik ATS 200T-P240 Bench PSU (fixed voltage) 24 V DC 8.3 A 200 W Regulated
1
2
3
Specifications sub
ject to change without notice
ATS 20
0T
Desktop
192
W
–
200
W
48 V var
iant:
1
2
3