User Manual

19
Basic Statistics
Electrical System Statistics
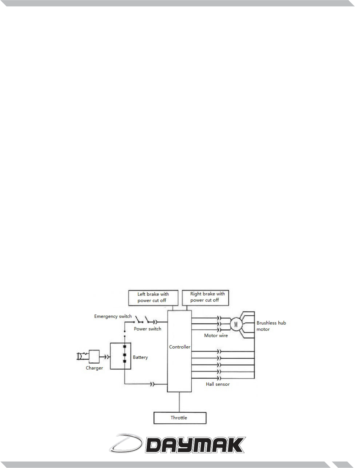
Wiring Diagram
Dimensions
WheelSize:3.0”x16”
Body Size: 187x52x115cm
Seat Height 75cm (29”)
Weight
65 kg without battery
85 kg with battery
Loading Capacity
Standard: 75 kg
Maximum: 150 kg
Speed and Mileage
Max.Speed:32km/h
Max. Mileage: 50 km
Motor Statistics
Rated Power: 500W
Voltage: 48V
Max. Climbing Angle: 15 degrees
Charger Statistics
Charger Input: AC 100 – 240V
Standard Input voltage: 110V
+/-10%
Output: DC 48V, BM-online
Chargeroutputvoltage:43.8+/-
10%, 50Hz
Power Rated: 80W
VoltageCharge:43.2–44.2V
ChargeCurrent:2.5A+/-0.02A
Charge Time: 6-12 hours
Battery Statistics
2 Batteries
Primary Battery:
Type: Sealed Lead Acid Battery
Voltage: 48V20AH
BatteryLife:300charges
Secondary Battery:
Type: Sealed Lead Acid Battery
Voltage: 48V14AH
Weight: 10 kg each, total 22 kg










