Owner's manual

19
Basic Statistics
Electrical System Statistics
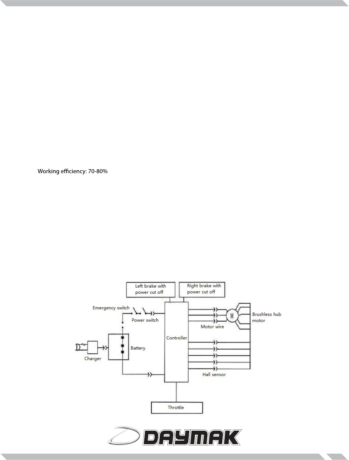
Wiring Diagram
Dimensions
Wheel Size: 3.0”x10”
Body Size: 1820x550x-
115cm
Seat Height 75cm (29”)
Weight
90 kg without battery
95 kg with battery
Loading Capacity
Standard: 75 kg
Maximum: 150 kg
Speed and Mileage
Max. Speed: 32 km/h
Max. Mileage: 50 km
Motor Statistics
Voltage: 60V
Rated rolled speed: 200 RPM
Torque: 32-55 Nm
Max. Climbing Angle: 12-15
Degrees
Charger Statistics
Charger Input: AC 100 – 240V
Charge Time: 6 -12 hours
Battery Statistics
Type: Sealed Lead Acid Battery
Rated Voltage: 60V
Battery Life: 300 charges










