Installation manual

TYPICAL LAYOUTS
81
6
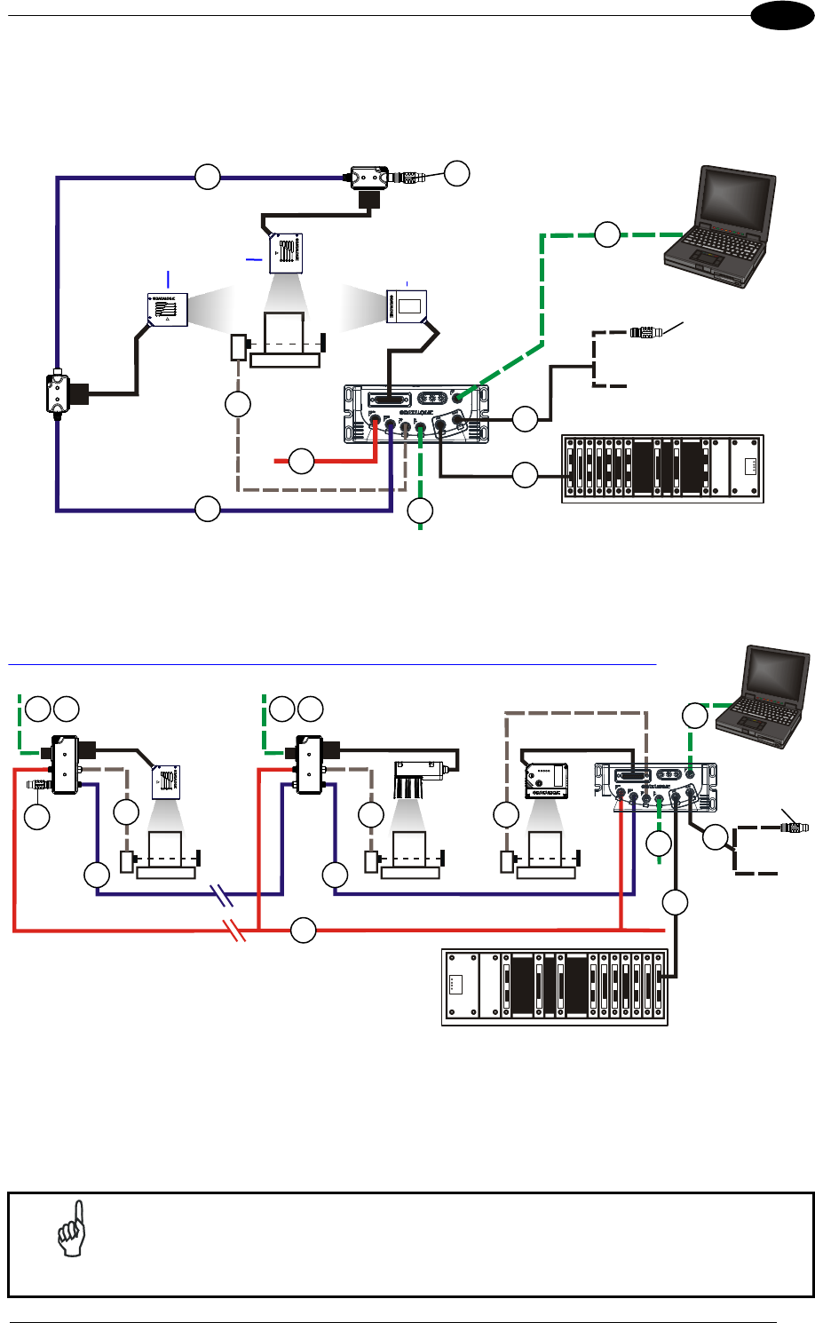
The QLM600 Profibus Gateway active connection module can also be used. System
configuration can be accomplished through the Auxiliary interface of the Master scanner
(QLM600 Aux connector) using the Genius™ configuration program or Genius™ based Host
Mode programming.
INTERF
A
CE
PRESS
X
TEST
LE
A
RN
SETUP
ST
A
TUS
TRIGGER
GOOD
RE
A
DY
COM
INTERFACE
PRESS
X
TEST
LEARN
SETUP
STATUS
TRIGGE R
GOOD
READY
COM
Figure 94 - ID-NET™ Synchronized Network - DS2100N Master with QLM600 + DS2100N Slaves with
QL100s
INTERF
A
CE
PRESS
X
TEST
LE
A
RN
SETUP
ST
A
TUS
TRIGGER
GOOD
RE
A
DY
COM
Figure 95 - ID-NET™ Multidata Network - DS4800 Master with QLM600 + mixed Slaves with QL300s
Input Power
Profibus Interface
External Trigger (for On-Line Mode)
External Digital I/O Devices
Aux port for Reader Configuration
ID-NET™ Network
ID-NET Terminator
NOTE
The ID-NET network must be terminated inserting an ID-NET terminator into
the last QL in the network. ID-NET on the QLM600 is internally terminated.
Profibus Master (Host)
1
Configuration PC
2
3
4
6
Matrix 410™
to next
Profibus Slave
QL300
or
Profibus
Terminator
QL300
QLM600
2
DS2100N DS4800
3
3
CAB-AUX03
CBL-1480-xxCBL-1480-xx
4
5
CAB-AUX04
5
CAB-AUX04
6
Profibus Slave Node
ID-NET™ MasterID-NET™ SlaveID-NET™ Slave
4 5
7
CBL-1490
1
2
6
5
QL100
CBL-1490
CAB-AUX03
QLM600
QL100
CBL-1480-xx
4
2
3
CBL-1480-xx
Configuration PC
ID-NET™ Slaves
to next Profibus Slave
or
Profibus
Terminator
Profibus Master (Host)
6
7
ID-NET™ Master
Profibus Slave Node










