Installation manual

DS2400N REFERENCE MANUAL
80
6
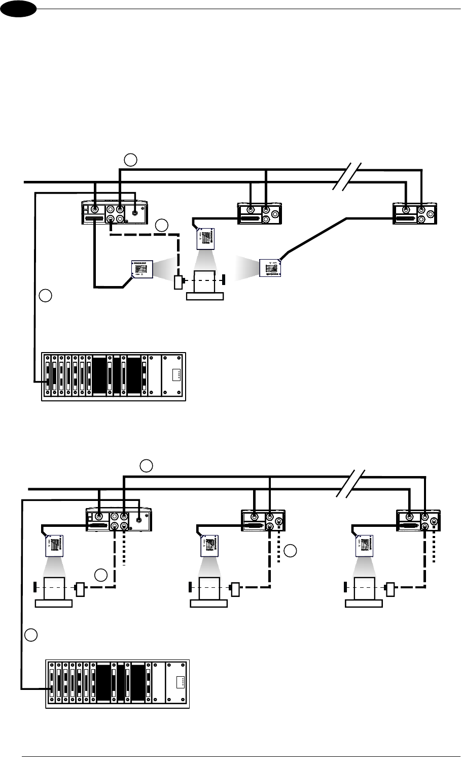
Alternatively, the Master scanner can communicate to the Host as a Slave node on a
Fieldbus network. This requires using an accessory Fieldbus interface board installed inside
the CBX500 connection box.
System configuration can be accomplished through the Auxiliary interface of the Master
scanner (internal CBX500 9-pin connector) using the Genius™ configuration program or
Genius™ based Host Mode programming.
Figure 92 – ID-NET™ Fieldbus M/S Synchronized Layout
Figure 93 – ID-NET™ Fieldbus M/S Multidata
Fieldbus Interface
External Trigger (for On-Line Mode)
ID-NET™ (up to 16 devices - practical limit)
Host
2
Master
Slave#1 Slave#n
Power
1
3
Terminal
Fieldbus Interface
Auxiliary Serial Interface (Local Echo) (RS232)
External Trigger (for On-Line Mode)
ID-NET™ (up to 32 devices, max network extension of 1000 m)
Host
1
4
3
2
Master Slave#1 Slave#n
Power










