Installation manual
Manuals
Brands
Datalogic Manuals
Print & Scan
DS2400N-2210
71
72
73
74
75
76
77
78
79
80
25-PIN CABLE ELECTRICAL CONNECTIONS
65
5
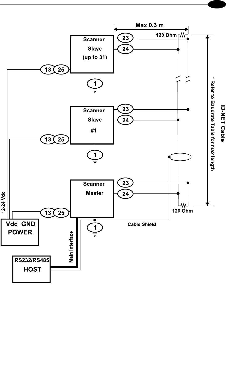
Figure 70 – ID-NET™ Network Connectio
ns
w
ith Common Po
wer Star Netw
ork
1
...
...
75
76
77
78
79
...
...
119