Installation manual
Manuals
Brands
Datalogic Manuals
Print & Scan
DS2400N-2210
71
72
73
74
75
76
77
78
79
80
DS2400N REFERENCE MANUAL
64
5
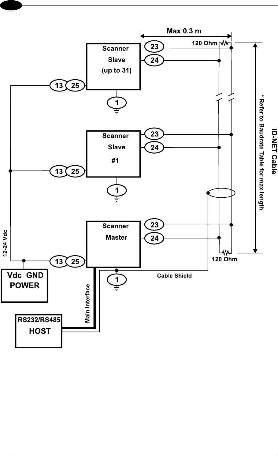
Figure 69 - ID-NETâ„¢ Net
work Connections
with Common Power Bran
ch Net
wo
rk
1
...
...
74
75
76
77
78
...
...
119