Installation manual
Manuals
Brands
Datalogic Manuals
Print & Scan
DS2400N-2210
71
72
73
74
75
76
77
78
79
80
25-PIN CABLE ELECTRICAL CONNECTIONS
63
5
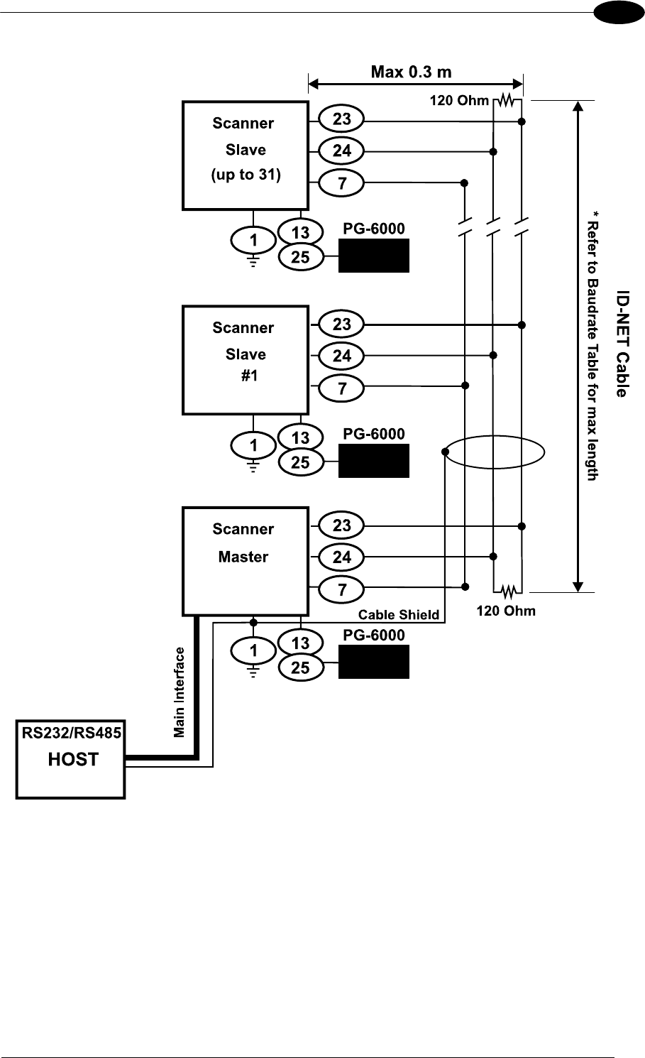
Figure 68 – ID-NET™ Network Connections w
ith
isolated power blocks
1
...
...
73
74
75
76
77
...
...
119