Installation manual
Manuals
Brands
Datalogic Manuals
Print & Scan
DS2400N-2210
51
52
53
54
55
56
57
58
59
60
CBX ELECTRICAL
CONNECTIONS
45
4
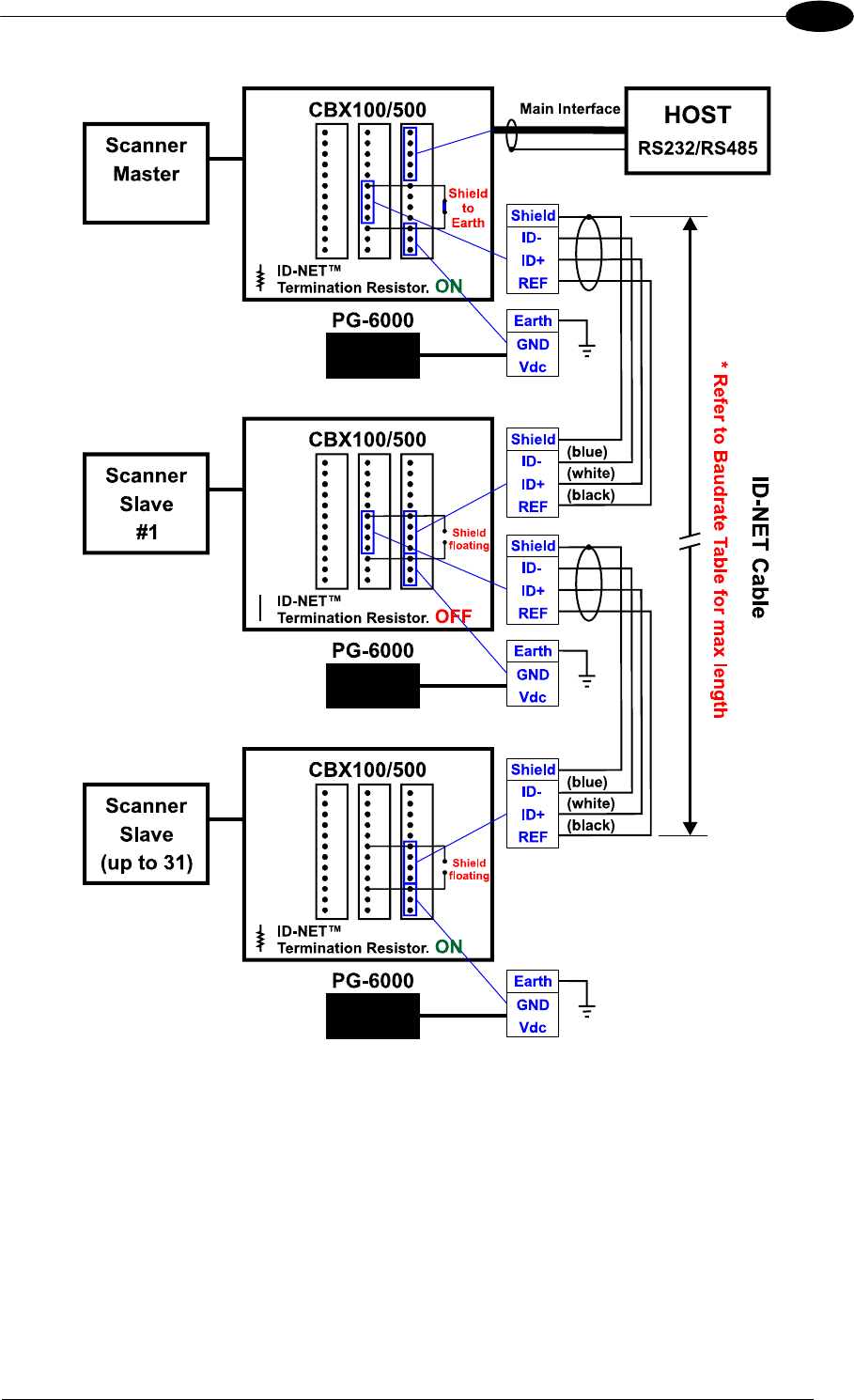
Figure 44 – ID-NET™ Network Connections w
ith
isolated power blocks
1
...
...
55
56
57
58
59
...
...
119