User Manual

23
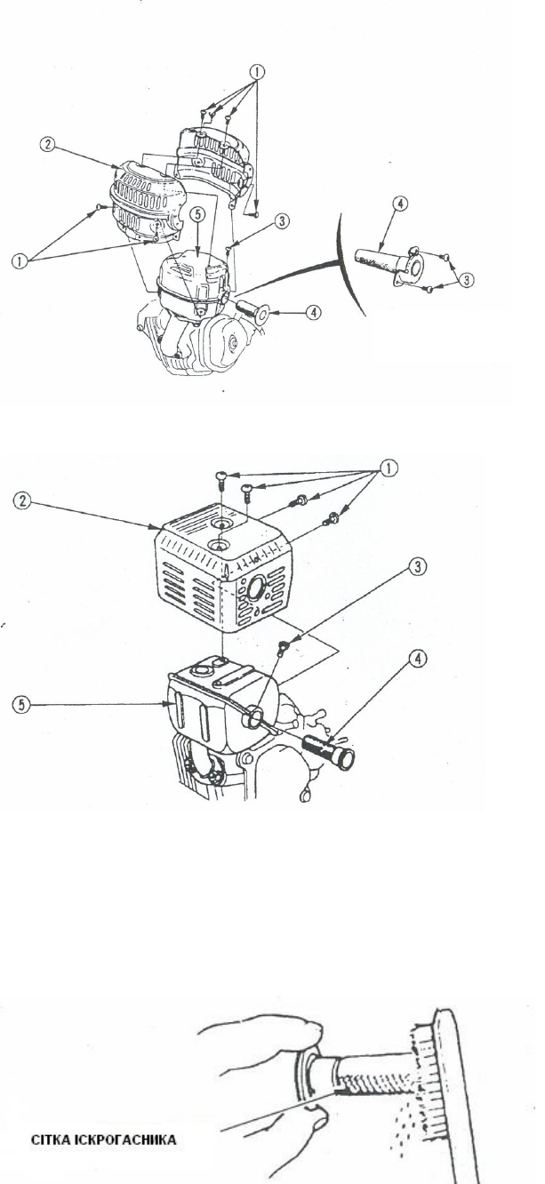
3.Щіткою видаліть вугільні відкладення з сітки іскрогасника. Будьте обережні, щоб не
пошкодити сітку.
Предостережение:
Очистку искрогасителя проводить каждые 100 часов для обеспечения эффективной
его работы.
ПРИМІТКА:
Сітка іскрогасника повинна бути цілою, без дірок і розривів. Якщо сітка пошкоджена,
замініть іскрогасник.