Specifications
Table Of Contents
- Cover
- Table of Contents
- Part 1 List of Functions
- Part 2 Specifications
- Part 3 Printed Circuit Board Connector Wiring Diagram
- Part 4 Function and Control
- Part 5 Operation Manual
- Part 6 Service Diagnosis
- 1. Caution for Diagnosis
- 2. Problem Symptoms and Measures
- 3. Service Check Function
- 4. Code Indication on the Remote Controller
- 5. Troubleshooting
- 5.1 Indoor Units
- 5.2 Outdoor Units
- 5.3 Indoor Unit PCB Abnormality A1
- 5.4 Freeze-up Protection Control or High Pressure Control A5
- 5.5 Fan Motor or Related Abnormality A6
- 5.6 Thermistor or Related Abnormality (Indoor Unit) C4,C9
- 5.7 Front Panel Open / Close Fault C7
- 5.8 Signal Transmission Error (between Indoor and OutdoorUnit) U4
- 5.9 Unspecified Voltage (between Indoor and Outdoor Units) UA
- 5.10 Freeze-up Protection Control A5
- 5.11 Outdoor Unit PCB Abnormality E1
- 5.12 OL Activation (Compressor Overload) E5
- 5.13 Compressor Lock E6
- 5.14 DC Fan Lock E7
- 5.15 Input Over Current Detection E8
- 5.16 Discharge Pipe Temperature Control F3
- 5.17 High Pressure Control in Cooling F6
- 5.18 Compressor Sensor System Abnormality H0
- 5.19 Position Sensor Abnormality H6
- 5.20 CT or Related Abnormality H8
- 5.21 Thermistor or Related Abnormality (Outdoor Unit) P4,J3,J6,J8,J9,H9
- 5.22 Electrical Box Temperature Rise L3
- 5.23 Radiation Fin Temperature Rise L4
- 5.24 Output Over Current Detection L5
- 5.25 Insufficient Gas U0
- 5.26 Low-voltage Detection or Over-voltage Detection U2
- 5.27 Signal Transmission Error (on Outdoor Unit PCB) U7
- 5.28 Anti-icing Function in Other Rooms / UnspecifiedVoltage (between Indoor and Outdoor Units) UA,UH
- 6. Check
- Part 7 Removal Procedure
- Part 8 Others
- Part 9 Appendix
- Index
- Drawings & Flow Charts

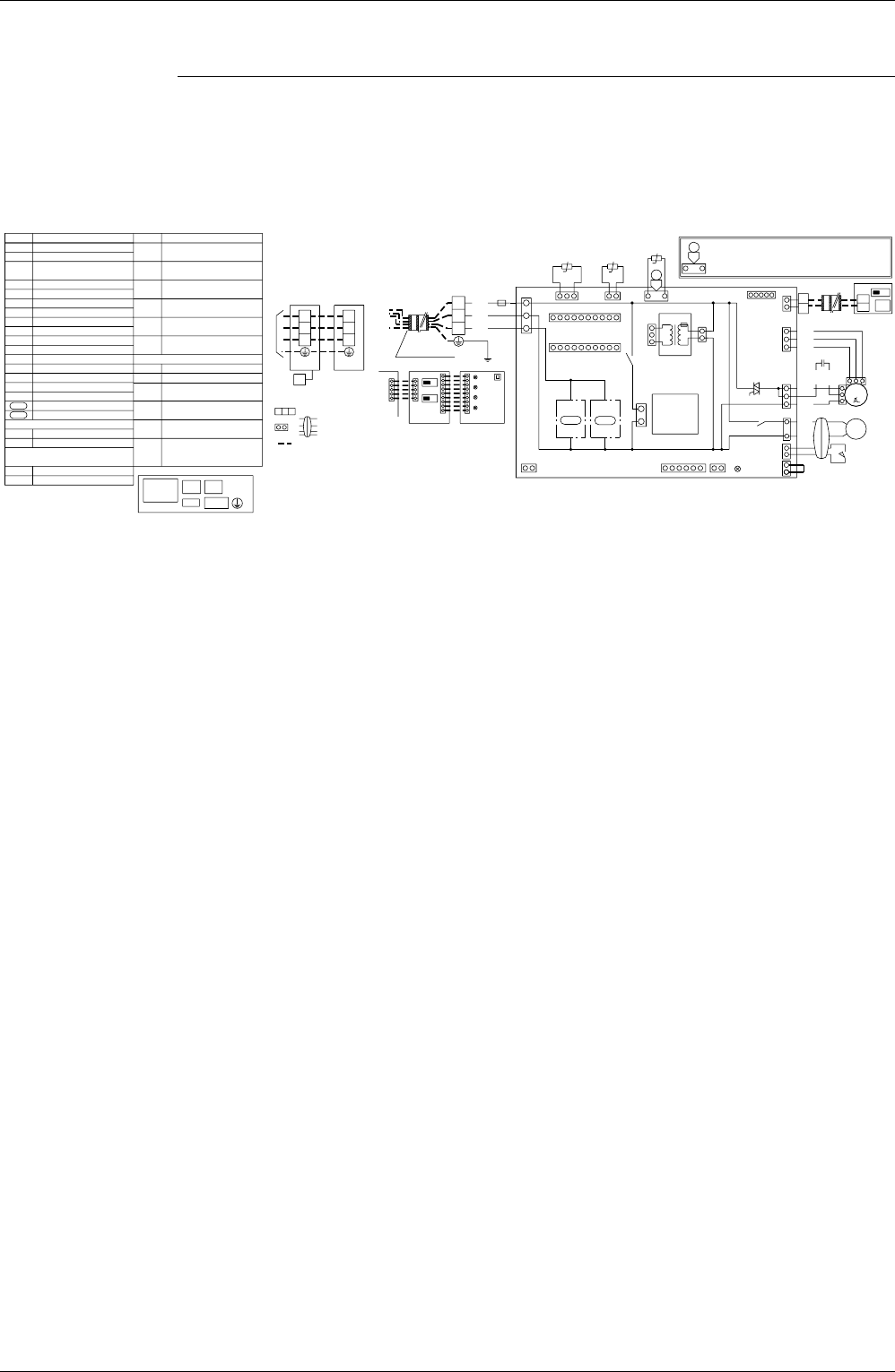
SiBE12-713 Wiring Diagrams
Appendix 335
2.1.5 Ceiling Suspended Type
FHQ35/50/60BVV1B
WIRELESS REMOTE CONTROLLER
(RECEIVER/DISPLAY UNIT)
WIRED REMOTE CONTROLLER
CONNECTOR FOR OPTIONAL PARTS
A1P
CONTROL BOX
X1M
C1 T1R
X2M
NOTES)
2.
1.
3. IN CASE USING CENTRAL REMOTE CONTROLLER, CONNECT IT TO THE
UNIT IN ACCORDANCE WITH THE ATTACHED INSTALLATION MANUAL.
4. X24A IS CONNECTED WHEN THE WIRELESS REMOTE CONTROLLER
KIT IS BEING USED.
5. REMOTE CONTROLLER MODEL VARIES ACCORDING TO THE COMBINATION
SYSTEM, CONFIRM ENGINEERING MATERIALS AND CATALOGS, ETC. BEFORE CONNECTING.
6. IN CASE INSTALLING THE DRAIN PUMP(M1P), REMOVE THE JUMPER CONNECTOR OF X15A AND EXECUTE THE ADDITIONAL WIRING FOR FLOAT SWITCH AND DRAIN PUMP.
7. SYMBOLS SHOW AS FOLLOWS: RED:RED BLK:BLACK WHT:WHITE YLW:YELLOW PRP:PURPLE GRY:GRAY BLU:BLUE
TO OUTDOOR UNIT
IN CASE OF SIMULTANEOUS
OPERATION SYSTEM
INDOOR UNIT
(MASTER)
,
:
:
X2M
FIELD WIRING
TERMINAL
2
3
1
:
REMOTE
CONTROLLER
CONNECTOR
(SLAVE)
INDOOR UNIT
X2M
2
3
1
NOTE)4
X24A
A1P
TO OUTDOOR
RECEIVER/DISPLAY UNIT
H05VV-U4G2.5
UNIT
A3P
X2A
SS2
SS1
X1A
X2M
3
2
1
A4P
X1A
WHT
BLK
RED
H2P
H3P
H4P
H1P
BS1
F1U
X27A
A1P
X40A
X60A
X61A
R1T
t°
RC
X19A
TC
R2T
t°
X18A
X25A
KPR
X10A
R3T
YLW
YLW
WHT
NOTE)6
t°
X33A
T1R
X17A
t°
X11A
:CONNECTER COLOUR FOR PRINTED CIRCUIT BOARD.
:CONNECTER COLOUR FOR COMPONENTS.
:CONNECTER DISCRIMINATION COLOUR FOR COMPONENTS.
X35A
HAP
V1TR
X24A
NOTE)4
KAR
X15A
X14A
X20A
X29A
X26A
X5A
BLK
BLK
PRP
BLU
GRY
X1M
BLK
RED
P2
P1
NOTE)6
YLW
C1
WHT
WIRED REMOTE
CONTROLLER
S1Q
MSW
M1F
M1S
~
~
M
SS1
P2
P1
Q1M
R1T
C1
A3P
A4P
S1Q
Q1M
X1M
X2M
A1P
HAP
F1U
R3T
R2T
R1T
SS1
R1T
M1F
M1S
V1TR
KAR
KPR
T1R
TC
RC
THERMO SWITCH(M1F EMBEDDED)
SELECTOR SWITCH(MAIN/SUB)
PHASE CONTROL CIRCUIT
SIGNAL TRANSMISSION CIRCUIT
TRANSFORMER(220-240V/22V)
SIGNAL RECEIVER CIRCUIT
(SERVICE MONITOR GREEN)
LIGHT EMITTING DIODE
PRINTED CIRCUIT BOARD
MAGNETIC RELAY(M1P)
MAGNETIC RELAY(M1S)
PRINTED CIRCUIT BOARD
PRINTED CIRCUIT BOARD
FUSE(F5A 250V)
TERMINAL BLOCK
TERMINAL BLOCK
MOTOR(SWING FLAP)
LIMIT SWITCH(SWING FLAP)
MOTOR(INDOOR FAN)
CAPACITOR(M1F)
THERMISTOR(AIR)
THERMISTOR(AIR)
THERMISTOR(COIL-2)
THERMISTOR(COIL-1)
BS1
SS1
SS2
X15A
X25A
X33A
X35A
X60A
X40A
X61A
H1P
H2P
H3P
H4P
PUSH BUTTON(ON/OFF)
SELECTOR SWITCH
SELECTOR SWITCH
CONNECTOR
CONNECTOR
CONNECTOR
CONNECTOR
(ON/OFF INPUT FROM OUTSIDE)
(ADAPTOR FOR WIRING)
(GROUP CONTROL ADAPTOR)
CONNECTOR(FLOAT SWITCH)
LIGHT EMITTING DIODE
LIGHT EMITTING DIODE
LIGHT EMITTING DIODE
LIGHT EMITTING DIODE
(WIRELESS ADDRESS SET)
(ON-RED)
(DEFROST-ORANGE)
CONNECTOR(DRAIN PUMP)
(FILTER SIGN-RED)
(INTERFACE ADAPTOR
(TIMER-GREEN)
(MAIN/SUB)
FOR SKY AIR SERIES)
3D037842D