Service manual

Table Of Contents
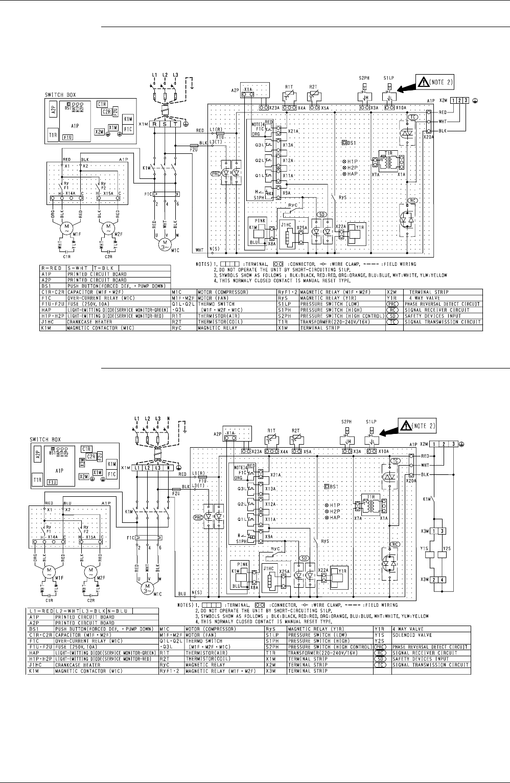
Wiring Diagrams Si42-107
276 Appendix
.((-4%
.(-.F.(-.%
C : 3D028902
POWER SUPPLY
TA L
3
~
60Hz
220V
C : 3D028901
Y1
3N
~
50Hz
380 - 415V
YAL
3N
~
60Hz
380V
POWER SUPPLY