Service manual

Table Of Contents
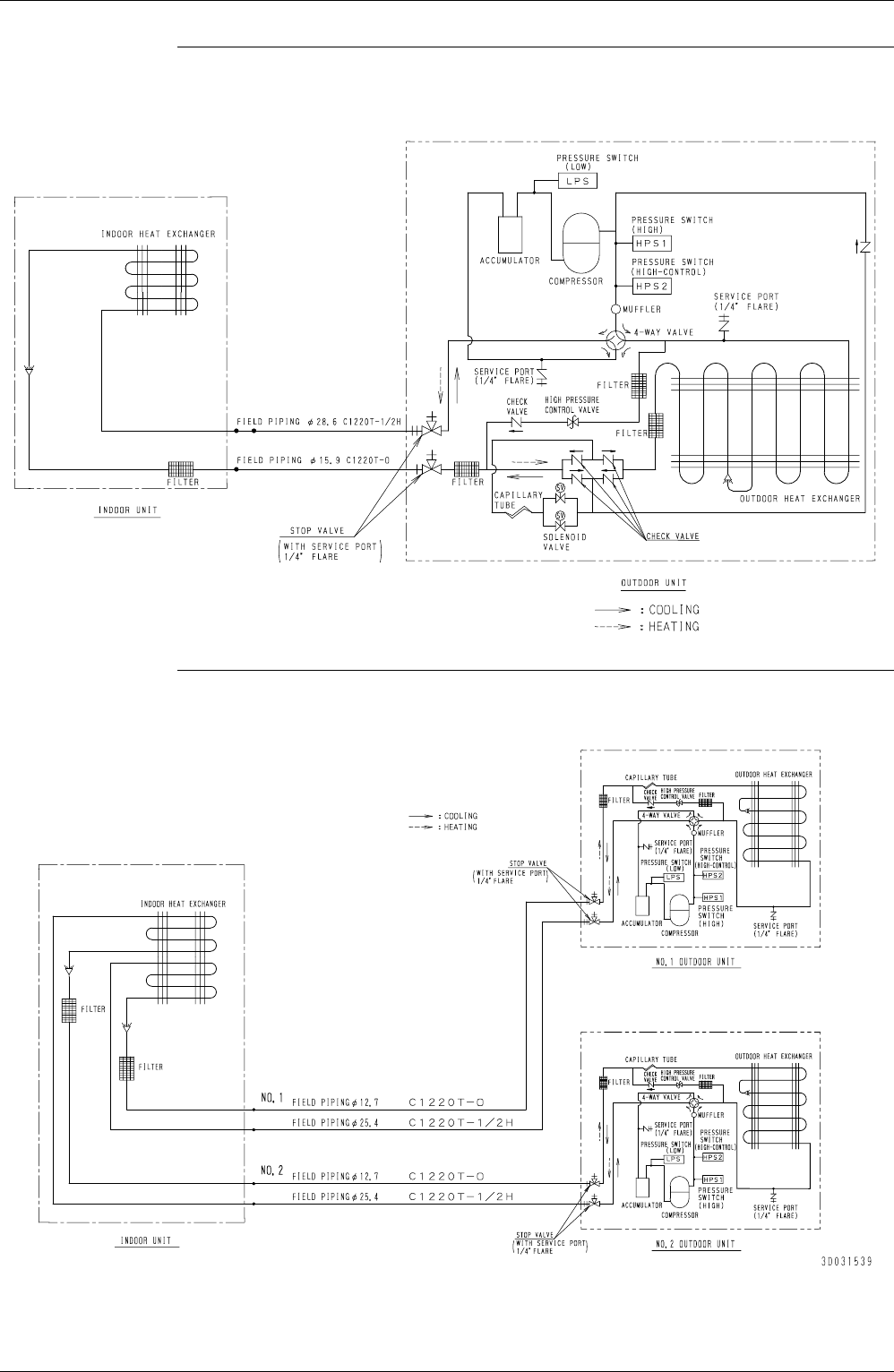
Si42-107 Piping Diagrams
Appendix 265
',.(-6%84%C.(-4%
',.(-6%8.%C.(-.%
',.-6%84%C.((-4%2
',.-6%8.%C.((-.%2
3D030161