Service manual

Table Of Contents
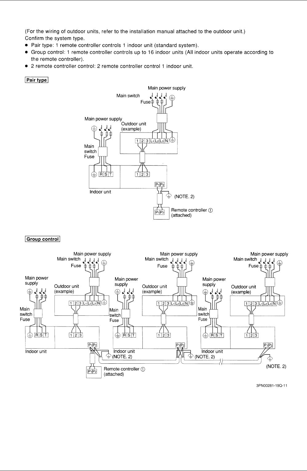
Si42-107 Field Piping and Wiring
Field Piping and Wiring 135
 #$5"