Service manual

Table Of Contents
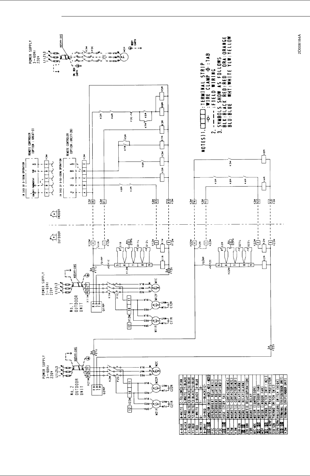
Si42-107 Wiring Diagram
Appendix 103
',-4%C(1-4%2F',(-4%C(-4%2