Service manual

Table Of Contents
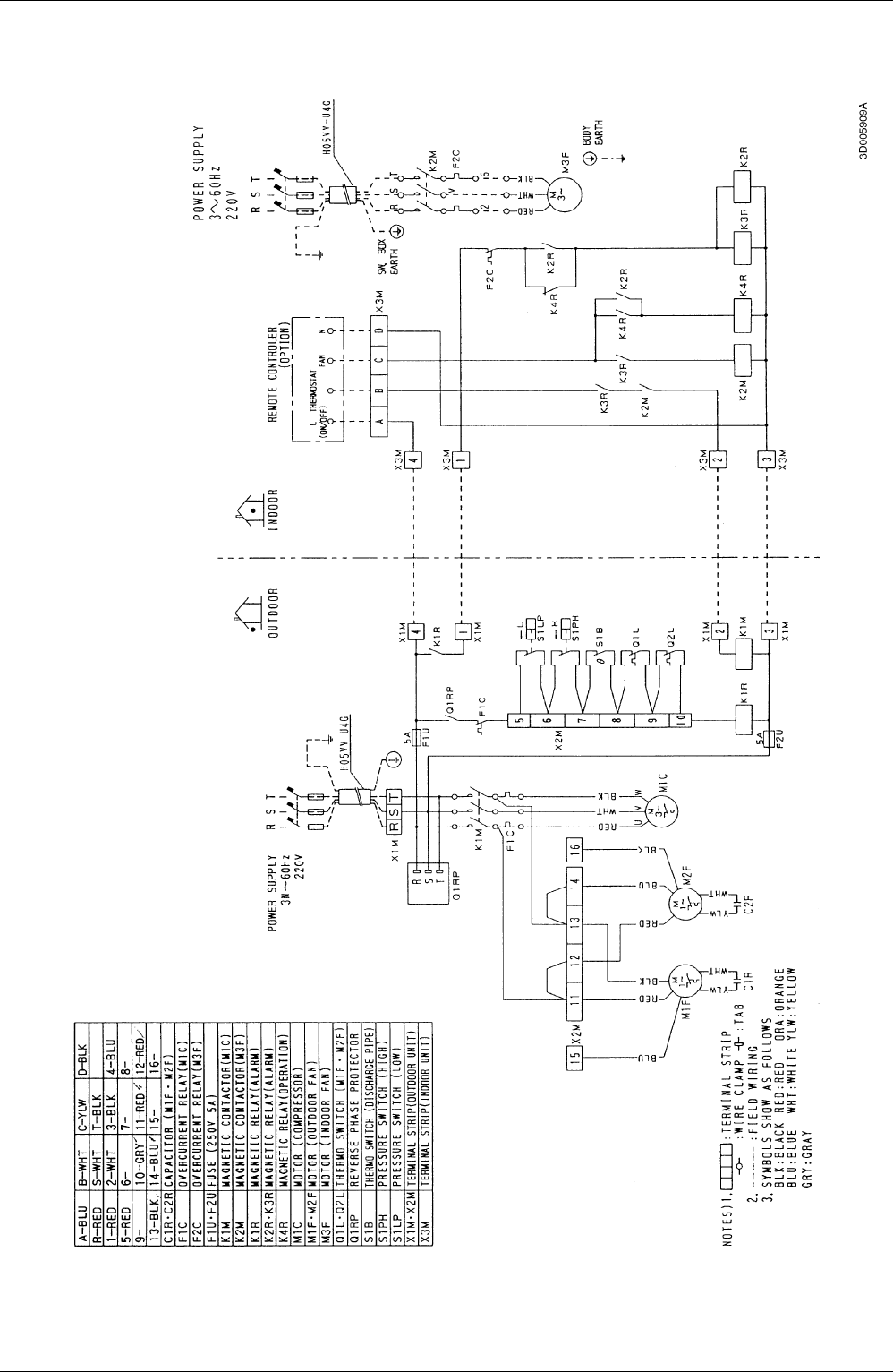
Si42-107 Wiring Diagram
Appendix 101
',(/-4%C(/-4%