Service manual

Table Of Contents
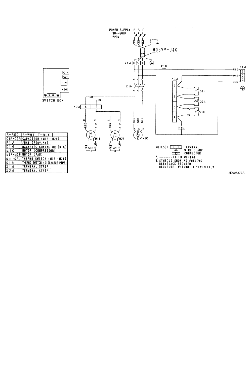
Wiring Diagram Si42-107
100 Appendix
'4%