Service manual

Table Of Contents
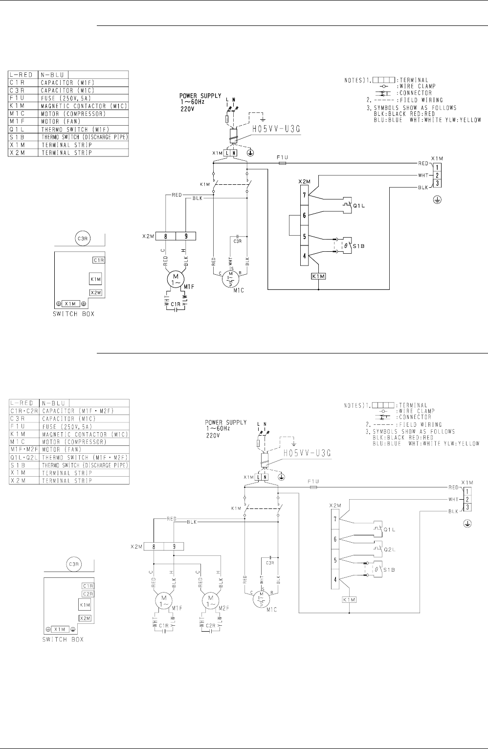
Wiring Diagram Si42-107
98 Appendix
0'3%
(('3%
3D005375C
3D005376C