Service manual

Table Of Contents
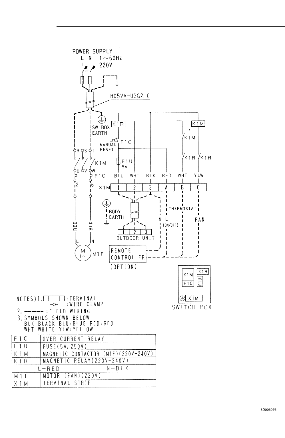
Si42-107 Wiring Diagram
Appendix 97
 /()*
',(H(-3%