Service manual

Table Of Contents
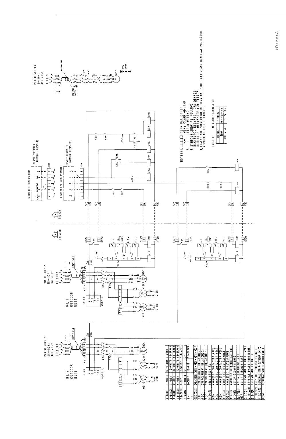
Wiring Diagram Si42-107
94 Appendix
',-.C(1-.2F',(-.C(-.2