Service manual

Table Of Contents
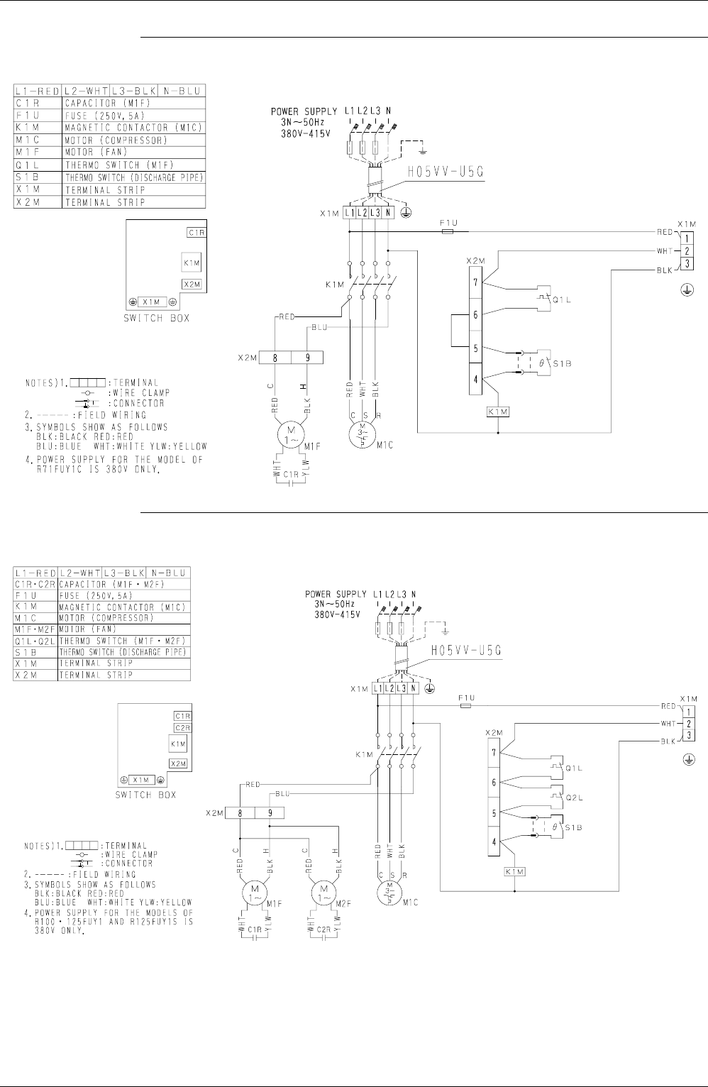
Si42-107 Wiring Diagram
Appendix 91
0'.
(('.F'.
3D000995C
3D001007C