CRT Television User Manual

- 61 -
Service manual WP 895/895F, CP885/885F
5-10 TV start-up, TV normal run and stand by mode operations
5-10-1 TV start-up operations
*
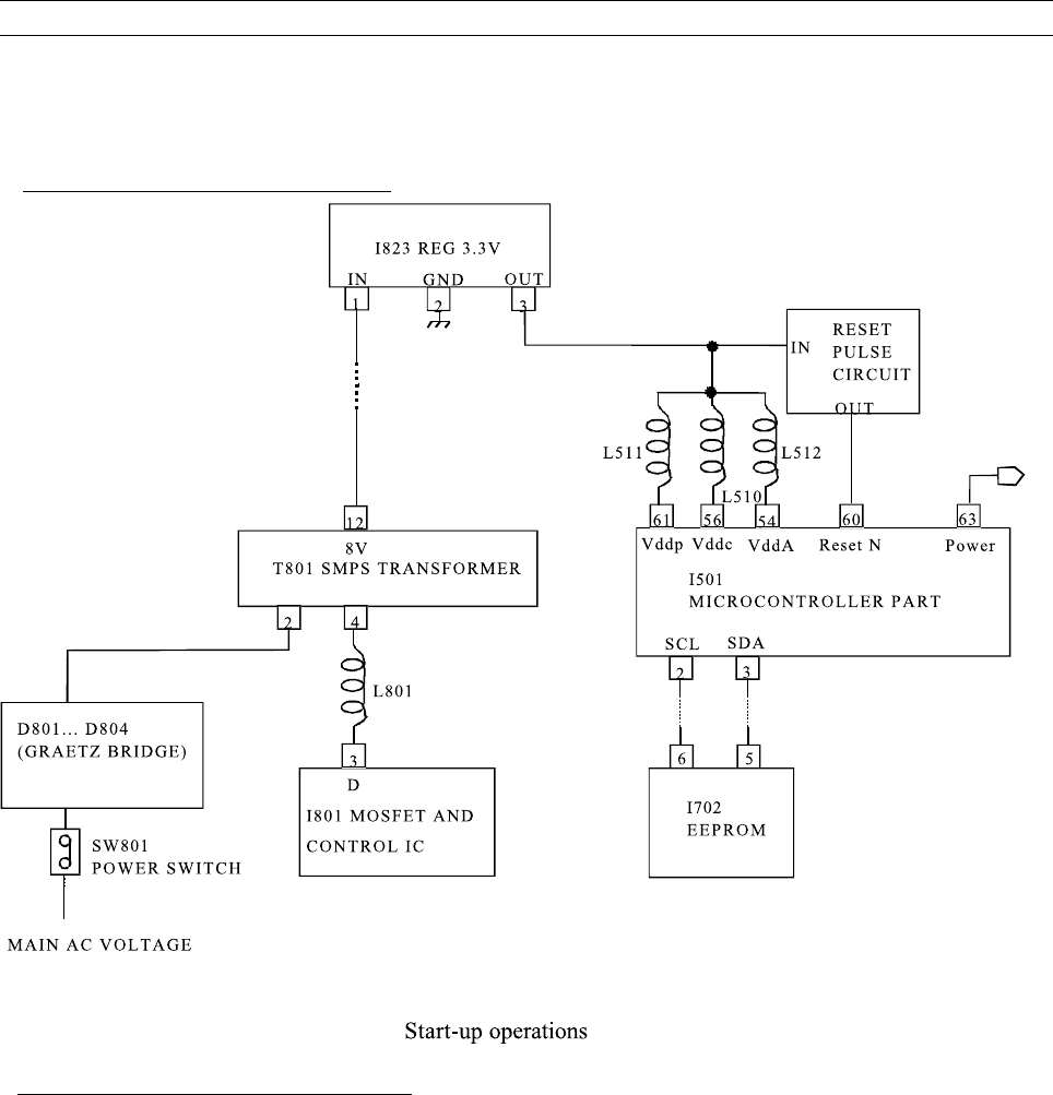
Schematic diagram for start-up operations
*
TV start-up and microcontroller initialisation
- When SW801 power switch is pushed, main AC voltage is applied to T801 transformer (after rectification by D801...
D804 diodes). Then, T801 SMPS transformer starts operating and supplies DC voltage to I823 (5V regulator).
- This regulator provides 5V / 3.3V DC voltage to I501 microcontroller power supply pins (pin 3 / pin 54) and to the
reset pulse circuit which provides reset pulse to I501 microcontroller reset pin (pin 58).
- Then, the microcontroller starts its initialisation. Its power pin (pin 1) is set to high which allows delivery of power
supply voltages (123V, 8V, 5V...). At this step, all IC’s start working but no picture appears on screen: I501 IC
doesn’t provide horizontal drive voltage.
- Then, the microcontroller consults I702 EEPROM via I2C bus to know the last TV set mode (normal run mode or
stand-by mode ) before switching off.










