CRT Television User Manual
Manuals
Brands
Daewoo Manuals
CRT TV
CP-885F
51
52
53
54
55
56
57
58
59
60
- 59 -
Service manual WP 895/895F, CP885/885F
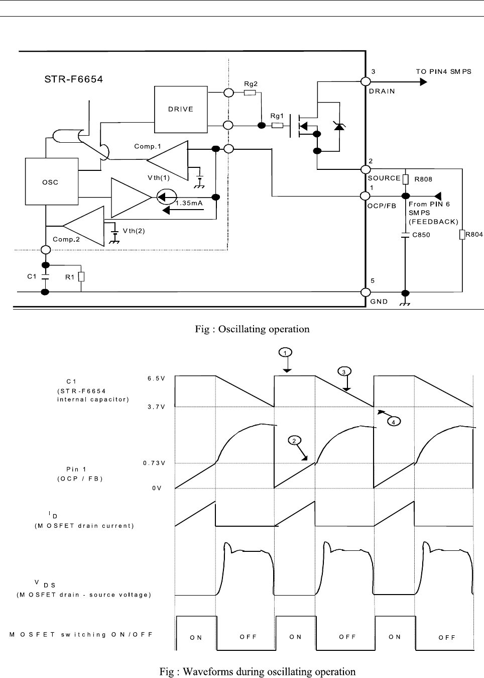
5-9-2-2 STR-F6654 oscillating operation
1
...
...
58
59
60
61
62
...
...
86