CRT Television User Manual

- 57 -
Service manual WP 895/895F, CP885/885F
5-9 Power supply (STR F6654)
5-9-1 STR-F6654 general description
The STR-F6654 is an hybrid IC with a build-in MOSFET and control IC, designed for flyback converter type switch
mode power supply applications.
5-9-2 Power supply primary part operations
An oscillator generates pulses signals which turn on and off a MOSFET transistor.
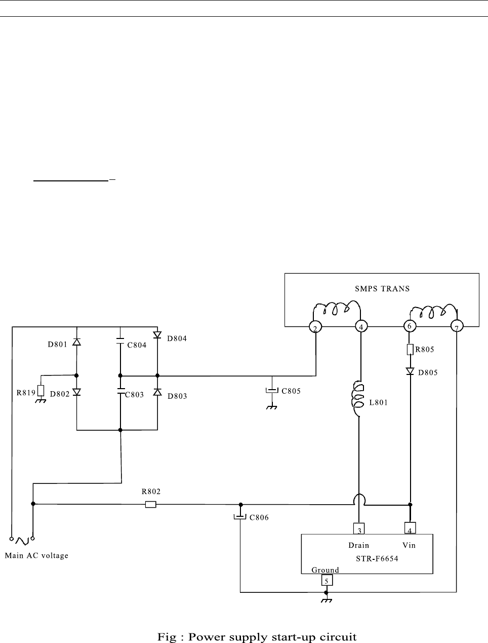
5-9-2-1 Start-up circuit : V
IN
The start-up circuit is used to start and stop the operation of the control IC, by detecting a voltage appearing at V
IN
pin (pin 4).










