CRT Television User Manual
Manuals
Brands
Daewoo Manuals
CRT TV
CP-885F
41
42
43
44
45
46
47
48
49
50
- 41 -
Service manual WP 895
/895F, CP885/885F
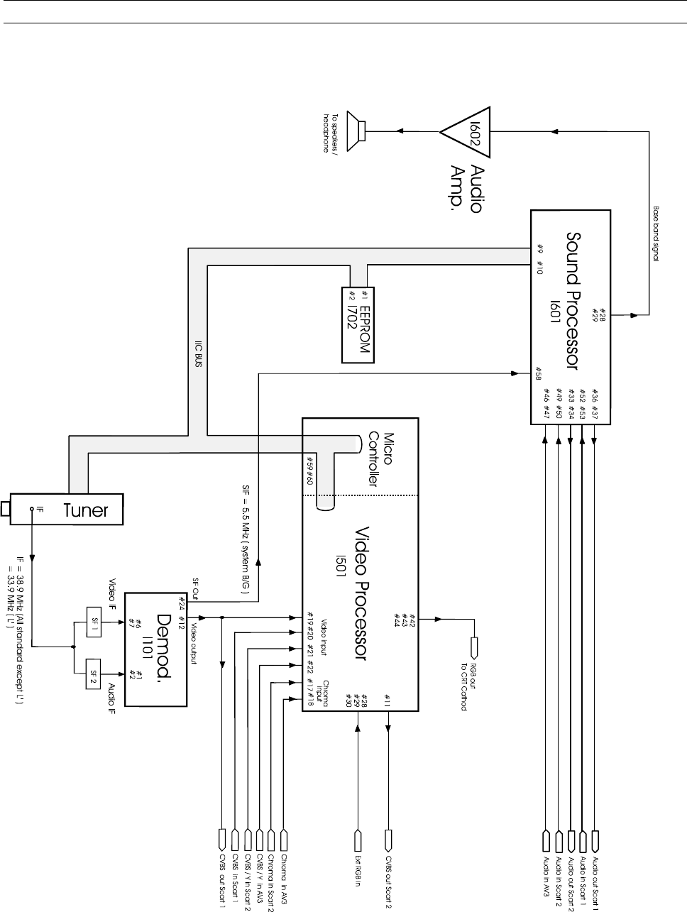
5 - Circuit description
5-1 Block diagram
1
...
...
40
41
42
43
44
...
...
86