CRT Television User Manual

- 38 -
Service manual WP 895/895F, CP885/885F
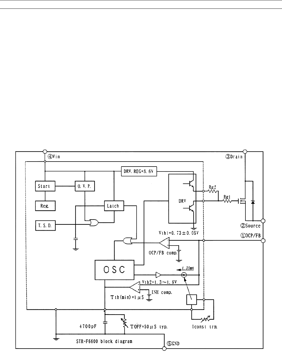
4-8 STR - F6653
4-8-1 General description
The STR-F6653 is an hybrid IC with a build-in MOSFET and control IC, designed for flyback converter type switch
mode power supply applications.
4-8-2 Features
- Small SIP fully isolated molded 5 pins package
- Many protection functions :
* Pulse-by-pulse overcurrent protection (OCP)
* Overvoltage protection with latch mode (OVP)
* Thermal protection with latch mode (TSD)
4-8-3 Block diagram










