CRT Television User Manual
Manuals
Brands
Daewoo Manuals
CRT TV
CP-885F
31
32
33
34
35
36
37
38
39
40
- 36 -
Service manual WP 895/895F, CP885/885F
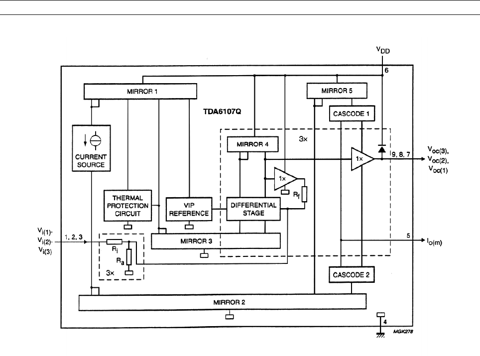
Block diagram TDA6107Q
1
...
...
35
36
37
38
39
...
...
86