User's Manual

12
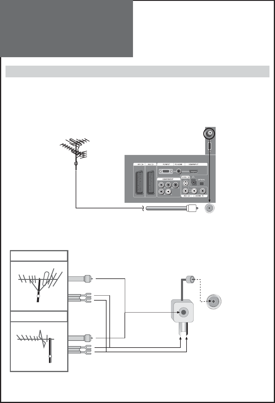
Antenna
Connection
Outdoor Antenna Connection
Outdoor Antenna connection-such as VHF or/and UHF-may be necessary for installation at private houses.
Single Antenna Connection
VHF Antenna
UHF Antenna
Back of the tv set
ANT/CABLE
Separate Antenna Connection.
ANT/CABLE
ANTENNA combining Adapter
(Separate purchase)
In case of coaxial cable
In case of feeder cable
VHF Antenna
UHF Antenna
Antenna socket at the left side
of the TV set










