QDRTM-II+ SRAM 4-Word Burst Architecture (2.0 Cycle Read Latency) Specification Sheet
Table Of Contents
- Features
- Configurations
- Functional Description
- Selection Guide
- Logic Block Diagram (CY7C1541V18)
- Logic Block Diagram (CY7C1556V18)
- Logic Block Diagram (CY7C1543V18)
- Logic Block Diagram (CY7C1545V18)
- Pin Configuration
- Pin Definitions
- Functional Overview
- Application Example
- Write Cycle Descriptions
- Write Cycle Descriptions
- Write Cycle Descriptions
- IEEE 1149.1 Serial Boundary Scan (JTAG)
- TAP Controller State Diagram
- TAP Controller Block Diagram
- TAP Electrical Characteristics
- TAP AC Switching Characteristics
- TAP Timing and Test Conditions
- Identification Register Definitions
- Scan Register Sizes
- Instruction Codes
- Boundary Scan Order
- Power Up Sequence in QDR-II+ SRAM
- Maximum Ratings
- Operating Range
- Electrical Characteristics
- Capacitance
- Thermal Resistance
- Switching Characteristics
- Switching Waveforms
- Ordering Information
- Package Diagram
- Document History Page

CY7C1541V18, CY7C1556V18
CY7C1543V18, CY7C1545V18
Document Number: 001-05389 Rev. *F Page 3 of 28
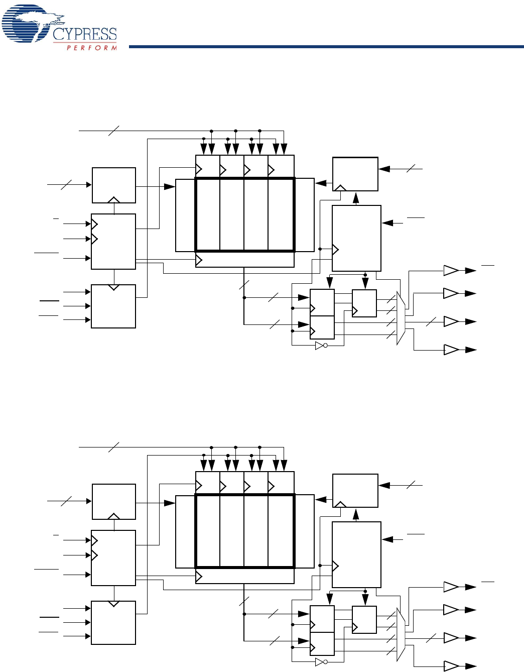
Logic Block Diagram (CY7C1543V18)
Logic Block Diagram (CY7C1545V18)
1M x 18 Array
CLK
A
(19:0)
Gen.
K
K
Control
Logic
Address
Register
D
[17:0]
Read Add. Decode
Read Data Reg.
RPS
WPS
Control
Logic
Address
Register
Reg.
Reg.
Reg.
36
20
72
18
BWS
[1:0]
V
REF
Write Add. Decode
Write
Reg
36
A
(19:0)
20
1M x 18 Array
1M x 18 Array
1M x 18 Array
18
CQ
CQ
DOFF
Q
[17:0]
18
QVLD
18
18
18
Write
Reg
Write
Reg
Write
Reg
512K x 36 Array
CLK
A
(18:0)
Gen.
K
K
Control
Logic
Address
Register
D
[35:0]
Read Add. Decode
Read Data Reg.
RPS
WPS
Control
Logic
Address
Register
Reg.
Reg.
Reg.
72
19
144
36
BWS
[3:0]
V
REF
Write Add. Decode
Write
Reg
72
A
(18:0)
19
512K x 36 Array
512K x 36 Array
512K x 36 Array
36
CQ
CQ
DOFF
Q
[35:0]
36
QVLD
36
36
36
Write
Reg
Write
Reg
Write
Reg
[+] Feedback [+] Feedback










