QDRTM-II+ SRAM 4-Word Burst Architecture (2.0 Cycle Read Latency) Specification Sheet
Table Of Contents
- Features
- Configurations
- Functional Description
- Selection Guide
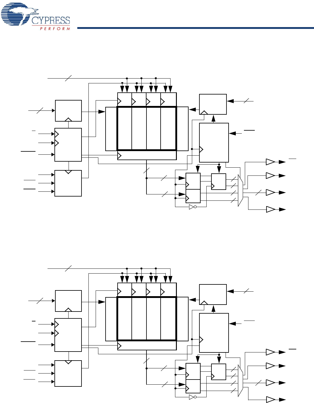
- Logic Block Diagram (CY7C1541V18)
- Logic Block Diagram (CY7C1556V18)
- Logic Block Diagram (CY7C1543V18)
- Logic Block Diagram (CY7C1545V18)
- Pin Configuration
- Pin Definitions
- Functional Overview
- Application Example
- Write Cycle Descriptions
- Write Cycle Descriptions
- Write Cycle Descriptions
- IEEE 1149.1 Serial Boundary Scan (JTAG)
- TAP Controller State Diagram
- TAP Controller Block Diagram
- TAP Electrical Characteristics
- TAP AC Switching Characteristics
- TAP Timing and Test Conditions
- Identification Register Definitions
- Scan Register Sizes
- Instruction Codes
- Boundary Scan Order
- Power Up Sequence in QDR-II+ SRAM
- Maximum Ratings
- Operating Range
- Electrical Characteristics
- Capacitance
- Thermal Resistance
- Switching Characteristics
- Switching Waveforms
- Ordering Information
- Package Diagram
- Document History Page

CY7C1541V18, CY7C1556V18
CY7C1543V18, CY7C1545V18
Document Number: 001-05389 Rev. *F Page 2 of 28
Logic Block Diagram (CY7C1541V18)
Logic Block Diagram (CY7C1556V18)
2M x 8 Array
CLK
A
(20:0)
Gen.
K
K
Control
Logic
Address
Register
D
[7:0]
Read Add. Decode
Read Data Reg.
RPS
WPS
Control
Logic
Address
Register
Reg.
Reg.
Reg.
16
21
32
8
NWS
[1:0]
V
REF
Write Add. Decode
Write
Reg
16
A
(20:0)
21
2M x 8 Array
2M x 8 Array
2M x 8 Array
8
CQ
CQ
DOFF
Q
[7:0]
8
QVLD
8
8
8
Write
Reg
Write
Reg
Write
Reg
2M x 9 Array
CLK
A
(20:0)
Gen.
K
K
Control
Logic
Address
Register
D
[8:0]
Read Add. Decode
Read Data Reg.
RPS
WPS
Control
Logic
Address
Register
Reg.
Reg.
Reg.
18
21
36
9
BWS
[0]
V
REF
Write Add. Decode
Write
Reg
18
A
(20:0)
21
2M x 9 Array
2M x 9 Array
2M x 9 Array
9
CQ
CQ
DOFF
Q
[8:0]
9
QVLD
9
9
9
Write
Reg
Write
Reg
Write
Reg
[+] Feedback [+] Feedback










